Как работает стабилизатор напряжения 220в: Принцип работы стабилизаторов напряжения всех типов
Из чего состоит и как работает электронный стабилизатор напряжения
ИЗ ЧЕГО СОСТОИТ И КАК РАБОТАЕТ ЭЛЕКТРОННЫЙ СТАБИЛИЗАТОР НАПРЯЖЕНИЯ
Современные бытовые и промышленные стабилизаторы напряжения производятся двух типов: сервоприводные и электронные. С сервоприводными стабилизаторами, или как их еще называют электромеханическими, можно ознакомиться в одной из наших статей на сайте. А мы рассмотрим состав и принцип работы электронного стабилизатора напряжения.
Электронные стабилизаторы напряжения можно классифицировать по следующим критериям:
по типу переключающего элемента:
— реле
— тиристор
— симистор
по количеству ступеней переключения и точности стабилизации (наиболее распространенные на рынке Украины):
7 ступеней, ориентировочная точность стабилизации +/-10%
9 ступеней, ориентировочная точность стабилизации +/-7%
12 ступеней, ориентировочная точность стабилизации +/-5%
16 ступеней, ориентировочная точность стабилизации +/-3%
32 ступени, ориентировочная точность стабилизации +/-1,5%
36 ступеней, ориентировочная точность стабилизации +/-1%
48 ступеней, ориентировочная точность стабилизации +/-0,5-1%
по количеству фаз стабилизации
— однофазные стабилизаторы напряжения
— трехфазные стабилизаторы напряжения
по материалу изготовления обмоток трансформатора:
— алюминий
— медь
по типу охлаждения:
— принудительное
— естественное
СОСТАВ И ЭЛЕМЕНТНАЯ БАЗА ЭЛЕКТРОННОГО СТАБИЛИЗАТОРА НАПРЯЖЕНИЯ
Основными элементами электронного стабилизатора напряжения являются:
— коммутационный элемент: реле/симистор/тиристор
— силовой автотрансформатор
— плата управления
КОММУТАЦИОННЫЙ ЭЛЕМЕНТ СТАБИЛИЗАТОРА НАПРЯЖЕНИЯ
В зависимости от маркетинговой и технической стратегии, производители стабилизаторов напряжения выбирают схемо-техническое решение, в котором применяют один из коммутационных элементов: реле (контактная коммутация), симистор или тиристор (бесконтактная коммутация).
И как показывает практика, некоторые технические решения могут основываться на использовании одновременно двух разнотипных переключателей. Например, у одного из украинских производителей стабилизаторов напряжения, компании Элекс, есть стабилизатор напряжения с названием «Ампер Гибрид» — в котором применены как реле, так и симисторы. Благодаря такому подходу стабилизатор напряжения занял уверенную бюджетную ценовую позицию.
Релейные стабилизаторы напряжения: из названия стабилизатора понятно, какой переключающий элемент используется – реле. Реле это элемент с электромагнитным удержанием переключателя во включенном или выключенном состоянии. Реле, как правило, применяются в маломощных стабилизаторах напряжения с мощностями до 5 кВт, реже 8-10кВт. Это объясняется высокими токами коммутации и возможным пригоранием контактной группы на больших нагрузках (из-за искрообразования). Достоинством применения реле является их относительная дешевизна. А основными недостатками: ограниченное количество переключений (около 200 000 срабатываний), искрение и пригорание контактов, невысокая скорость переключения, механический износ, повышенное тепловыделение.
Симисторные стабилизаторы напряжения: Коммутирующим элементом в таком стабилизаторе выступает симистор. Симистор (симметричный триодный тиристор) или триак (от англ. TRIAC — triode for alternating current) — полупроводниковый прибор, являющийся разновидностью тиристоров и используемый для коммутации в цепях переменного тока.
Тиристорные стабилизаторы напряжения. Тиристор — это переключающий полупроводниковый прибор, пропускающий ток в одном направлении. Этот радиоэлемент часто сравнивают с управляемым диодом и называют полупроводниковым управляемым вентилем (Silicon Controlled Rectifier, SCR). Тиристор имеет три вывода, один из которых — управляющий электрод, можно сказать, «спусковой крючок» — используется для резкого перевода тиристора во включенное состояние.
Общими свойствами для тиристорных и симисторных стабилизаторов напряжения является их долговечность работы и высокая скорость переключения. Главным недостатком тиристоров и симисторов является их высокая стоимость.
СИЛОВОЙ ТРАНСФОРМАТОР
В стабилизаторах напряжения электронного типа в качестве преобразователя напряжения используется автотрансформатор.
Автотрансформатор — вариант трансформатора, в котором первичная и вторичная обмотки соединены напрямую, и имеют за счёт этого не только магнитную связь, но и электрическую. Обмотка автотрансформатора имеет несколько выводов (как минимум 3), подключаясь к которым, можно получать разные электрические напряжения. Используя это свойство автотрансформатора, и производятся стабилизаторы напряжения. На каждый вывод автотрансформатора подводится силовой коммутационный элемент (см.выше описание), который переключает необходимый вывод (отвод) автотрансформатора на подключенную к стабилизатору напряжения нагрузку.
Преимуществом автотрансформатора является более высокий коэффициент полезного действия, поскольку лишь часть мощности подвергается преобразованию — это особенно существенно, когда входное и выходное напряжения отличаются незначительно.
ПЛАТА УПРАВЛЕНИЯ
Все выпускаемые стабилизаторы напряжения имеют в своем составе плату управления. Основными возлагаемыми на нее задачами являются: контроль и измерение параметров входного сетевого напряжения, управление коммутирующими элементами для переключения между обмотками автотрансформатора, обеспечение пользовательского интерфейса и выполнение основных защит: от перегрузок, перегрева, перенапряжения на входе.
Подводя итог рассмотрения состава и назначения основных элементов электронного стабилизатора напряжения можем разобрать основной принцип его работы. Плата управления производит измерение напряжения поступающего напряжения и в случае обнаружения «ухода» заданного параметра – принимает решение на управление силовым коммутирующим элементом для перехода на необходимый отвод автотрансформатора, который обеспечит выходное напряжение в заданном виде. Приведем пример: если на входе стабилизатора было сетевое напряжение 220В, то автотрансформатор работал с отводом №3 и на этом отводе автотрансформатор выдает 220В +/-погрешность.
Теперь рассмотрим ситуацию с понижением входного напряжения до 170В, в этом случае плата управления принимает решение переключиться на отвод автотрансформатора №5, который при входном напряжении в 170В обеспечит выходное напряжение номиналом 220В+/-погрешность. Именно такими переключениями на необходимый отвод автотрансформатора в зависимости от поступающего напряжения на входе и происходит стабилизация. Точность стабилизации (погрешность) имеет прямую зависимость от количества отводов автотрансформатора и силовых коммутирующих элементов – чем их больше, тем точность выходного напряжения выше.
Мы рассмотрели состав и основной принцип обеспечения стабилизации сетевого напряжения. В современных электронных стабилизаторах напряжения применяются достаточно сложные алгоритмы работы, имеется всевозможная масса настроек параметров стабилизации и управления, разнотипные устройства индикации и отображения (ЖК дисплей, светодиоды, дискретные элементы отображения), а в некоторых стабилизаторах есть функция удаленного мониторинга.
Во всех хитростях и нюансах большинства стабилизаторов напряжения представленных на рынке Украины профессионально разбираются специалисты компании НТС-ГРУПП, ТМ «Электрокапризам-НЕТ!». Мы всегда открыты и готовы делиться своим богатым опытом в подборе стабилизаторов напряжения под любые задачи.
Автор: Борисов Сергей Петрович, г.Киев, 2018 год. При копировании материала полностью или частично — ссылка на автора и первоисточник обязательна.
Стабилизатор напряжения 220В для дома: зачем он нужен? | ENARGYS.RU
Корректирующий стабилизатор напряжения переменного тока
Зачастую стандартное напряжение сети не соответствует действительности, качество напряжения часто оставляет желать лучшего, что отрицательно сказывается на стабильной работе электронных приборов, используемых в быту. Происходит это при увеличении загруженности питающих линий.
Увеличение срока эксплуатации линий электропередач приводит к ухудшению состоянию линий и изменению качества напряжения.
На качество работы бытовых приборов влияют: импульсы напряжения, изменение формы синусоиды тока, изменение амплитуды и т. д. Увеличение величины напряжения на 10% приводит к быстрому выходу из строя бытовых приборов и энергосберегающего освещения. Необходимость приобретения стабилизатора выявляется замерами напряжения в сети тестером, если оно менее 190 В или выше 242 В, стабилизатор необходим. Бытовые приборы выдерживают 10% отклонения от нормы, хотя неустойчивое напряжение влечет повышенный износ оборудования.
Стабилизатор напряжения предназначен для выдачи стабильного постоянного напряжения при изменяющемся входном напряжении. Основное его действие осуществлять стабильную работу бытовой техники, электроники, компьютерного оборудования.
Стабилизатор напряжения 220 В для дома как выбрать?
Стабилизаторы классифицируются и выбираются по типу питающей электрической сети:
- Однофазные стабилизаторы, работают от сети 220 В. Мощностью в пределах от 0,5 до 30 кВт.

- Трехфазное питание электросети 380 В. Общая мощность от 12 кВт.
- Мощность – суммарная мощность всех потребителей.
- Входное сетевое напряжение, рабочее напряжение бытовой техники.
- Выходное напряжение – процентная точность показателя выходного напряжения, его соответствие действительному.
Конструктивные типы устройств:
- Электромеханический стабилизатор отличается плавностью регулировки напряжения, точность выходного напряжения 3%. Стойкость к перегрузкам.
- Релейный вид стабилизаторов, характеризуются регулируемым током при помощи автомеханического переключателя.
- Цифровой стабилизатор, заключается в введении в работу необходимой обмотки при помощи семистора или тиристора. Быстрый импульсный режим регулировки. В наличии имеется цифровой дисплей, может работать при минусовых температурах до -20
оС.
Выбор зависит от вида питающей электрической сети, одна или три фазы подходят к жилому объекту.
Не менее важно знать суммарную мощность всех одновременно работающих бытовых приборов и техники.
Важно: При подсчете учитывать пусковой ток приборов, оснащенных электрическим двигателем, это холодильник, стиральная машина и пылесос, так что при выборе стабилизатора необходимо плюсовать к расчетной мощности не менее 20%.
При выборе устройства желательно знать коэффициент отклонения напряжения от питающей сети. При замере входного напряжения сети. К откл. равен следующим значениям.
U130 В = К откл. 1,69;
U150 В = К откл. 1,47;
U170 В = К откл. 1,29;
U210 В = К откл. 1;
U230 В = К откл. 1,29;
U270 В = К откл. 1,47
Затем суммарная мощность, полученная при подсчете нагрузки потребителей, перемножается на коэффициент отклонения. По полученному значению мощности производится выбор стабилизатора.
Не менее важно знать необходимую точность стабилизации напряжения. Точность устройства указывается в паспортных данных устройства, чем процент выше, тем хуже класс точности.
Купить стабилизатор Ресанта-10000-1Ц
Полезные советы при выборе стабилизатора напряжения
Качественно выполненное устройство имеет в своей конструкции систему защиты от перегрузки и защиту от токов к. з. Наиболее надежными считаются модели, оборудованные системами защиты от перегрева и самодиагностики.
Необходимо помнить, что наиболее предпочтительны компании, предоставляющие со своими изделиями гарантию на ремонт, как правило, гарантия не превышает 1 года. В линейке изготовителей стабилизаторов выделяется компания «Штиль», изделии от этого производителя имеют гарантию 2 года. Это означает, что корпус устройства не должен иметь механических повреждений, и не нести следов вскрытия, контрольные пломбы должны быть в целости.
Стабилизатор напряжения 220В для дома – правила эксплуатации
Для нормальной длительной эксплуатации стабилизатора напряжения важно соблюдать температурный режим помещения, в котором будет установлено устройство.
Температура помещения для бытовых стабилизаторов обычно не ниже +5оС и может достигать не более 45оС.
Необходимо помнить, что работающее устройство выделяет тепло, поэтому нужно предусмотреть свободный отвод собственного тепла, Между корпусом стабилизатора и стенами помещения должно присутствовать расстояние не менее. Поверхность, на которой будет стоять стабилизатор должно быть твердой и гладкой, чтобы не препятствовать отводу тепла.
Практически все производители стабилизаторов отмечают низкий уровень шума работающего стабилизатора, действительность не всегда соответствует указанным нормам, например работа «Ресанты» зачастую сопровождается щелканьем движущихся механических частей и релейных контактов. Да и другие производители не идеальны, особенно с течением временем эксплуатации шум в устройствах проявляется в большей мере.
Требования подключения и эксплуатации
- При подключении стабилизатора обязательно предусмотреть заземление корпуса.

- При проведении ремонтных и профилактических работ подключенной бытовой техники, стабилизатор от сети отключается.
- Не рекомендуется накрывать вентиляционные решетки, может произойти перегрев стабилизатора.
- На устройство не должна попадать вода, может произойти замыкание.
- Необходимо протирать пыль с устройства, она может оказаться токопроводящей, убирать пыль необходимо сухой ветошью.
Особенности некоторых моделей стабилизаторов
Стабилизатор «Ресанта» от латвийского производителя относится к ступенчатому электромеханическому типу, оснащен двумя графитовыми щетками, которые играют роль ползунка-токосъемника, благодаря им увеличивается площадь контакта и происходит плавная и быстрая регулировка напряжения.
Стабилизатор АРС buSchneiderElektric, отличается более высоким значением мощности, чем имеют остальные модели. Корпус оснащен несколькими евророзетками, удобное управление и понятная индикация состояния прибора.
Предохранитель является отдельным независимым элементом, это повышает стоимость устройства, но и увеличивает показатель надежности. Модельный ряд АРС имеет выгодное отличие от остальных стабилизаторов возможностью настройки выходного напряжения на один из трех вариантов напряжения: 220; 230; 240 В.
Еще одна из его особенностей, это автоматическая проверка прибора и параметров сети после ввода устройства в работу. Стабилизатор отключает приборы от сети при входном напряжении на уровне 155 В, оснащен защитой от перенапряжения.
Конструктивная особенность стабилизатора АРС заключается в наличии многоступенчатого трансформатора, наличие защиты от минимального и повышенного напряжения, селектор параметров напряжения на выходе из устройства.
Стабилизатор VOLTRON РСН-10000 российско-китайской разработки является устройством релейного типа отсутствие механических движущихся частей позволяет ему функционировать в условиях низкой температуры -30
Может крепиться как на стену, так и устанавливаться на пол. Отличается низким уровнем шума, имеет цифровую защитную систему. Мощность этой модели от 7 до 10 кВт, максимальный ток 45 А. Модельный ряд этих стабилизаторов от 500 до 20000 Вт, ток до 90 А.
Стабилизаторы ElitechACH 3000PH, устройство совместного российско-китайской разработки, может крепиться на стене и устанавливаться на полу. На передней панели расположено цифровое табло, благодаря, которому можно контролировать работу устройства. Отличается, хороним охлаждением, полностью, исключая перегрев стабилизатора. Практически отсутствует шум, токовая синусоида имеет минимальное искажение.
Стабилизаторы Энергия Classic 9000 (производитель Россия) относятся к классу стабилизаторов работа, которых основана на использовании в качестве силовых ключей – тиристоров. Кроме рабочего состояния параметров, электронное табло показывает текущий расход электрической энергии. Устройство рассчитано на высокую перегрузку, до 180%, что позволяет с легкостью подключать приборы с высоким пусковым током.
К недостаткам можно отнести высокую цену, зато устройство имеет самый высокий гарантийный предел использования – 3 года.
Безусловно, несколько отличаются от прочего модельного ряда стабилизаторов высокочастотные стабилизирующие устройства (ВЧ- стабилизаторы), выпускаемые компанией НПП «Новатек-Электро» LEGAT. Высокочастотные отличаются небольшим весом, высокой точностью стабилизации в пределах 1-2В. Быстро реагируют на изменения входного напряжения, имеют способность запитывать различные нагрузки реактивного и активного типа. ВЧ-стабилизаторы рассчитаны на высокий кратковременный пусковой ток для запуска бытовых приборов.
Стабилизаторы Krauler от китайских производителей для российского рынка, работают на основе автотрансформаторов, в конструкции предусмотрены 2 предохранителя на 10 А, информативное индикаторное табло контроля параметров, оборудованы разъемами для подключения и защиты телефонных аппаратов, три розетки, вентиляционных отверстий для отвода тепла явно недостаточно.
Обмотки автотрансформатора переключаются достаточно быстро примерно за 2 миллисекунды, для корректировки повышенного напряжения присутствует одна ступень, и шесть повышающих ступеней. Процесс работы сопровождается значительным шумом переключаемых реле, корпус отлично резонирует шум.
Стабилизаторы напряжения для дома 220В: отзывы
Здесь предоставлено лишь несколько отзывов, возможно они как-то помогут с выбором.
«Приобрел стабилизатор Upower 10000. характерный недостаток периодически, с интервалом примерно 10 мин, после достижения уровня напряжения 235 В происходит автоматическое включение-отключение электричества в сети, потом напряжение нормализуется, нежелательно использовать с потребителями повышенной чувствительности из-за переключения реле». Балашов Алексей г. Казань.
«Купил стабилизатор Ergusсерии Stadilia, устройство очень чувствительно к перегрузам, термостат постоянно отключает стабилизатор, при перегреве, устройство включается автоматически, когда температура достигает заданного уровня, в противном случае его просто не включить».
Смирнов Андрей г Москва.
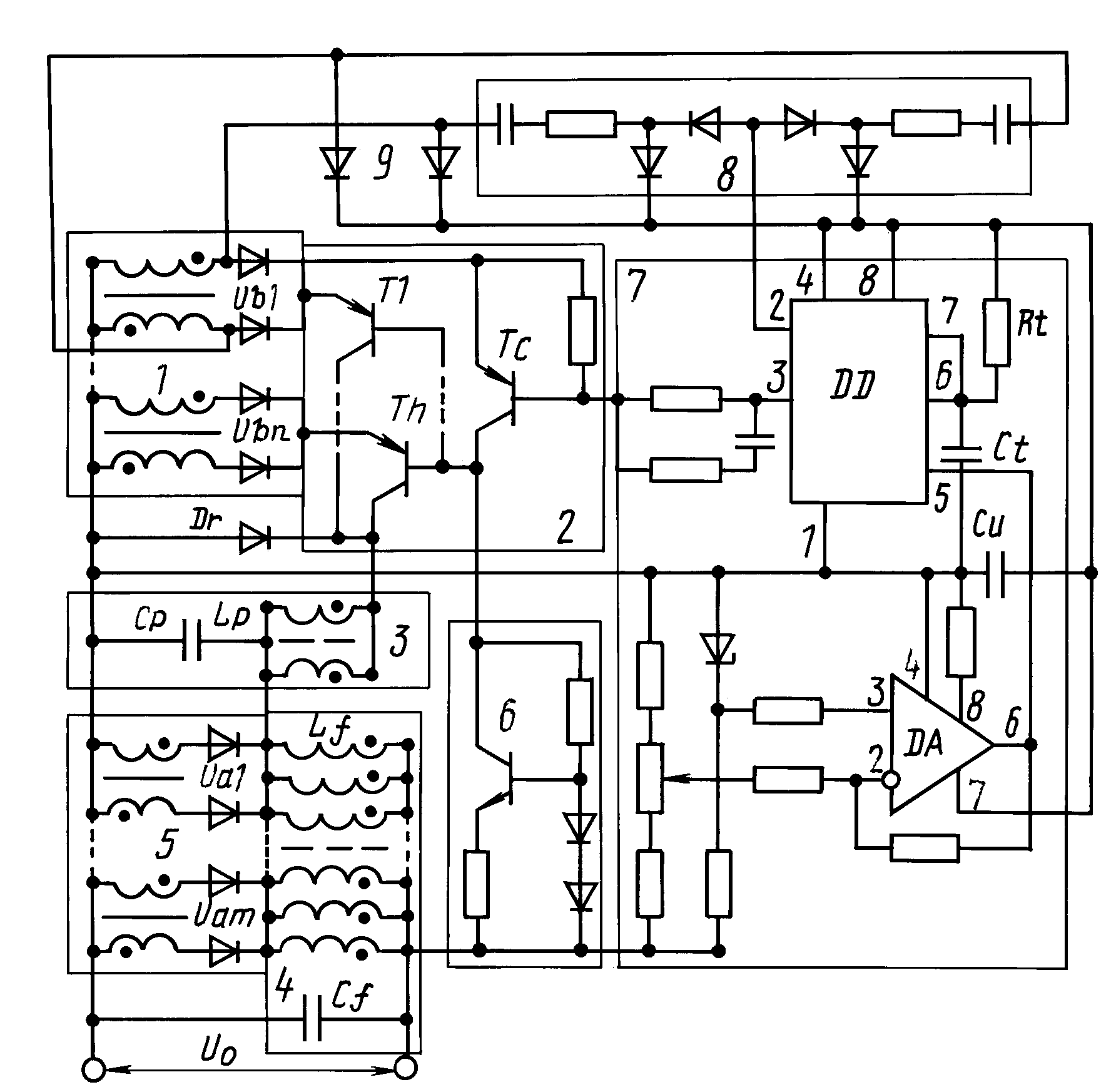
Схема электрическая стабилизатора напряжения 220в. Схема стабилизатора напряжения
Содержание:В электрических цепях постоянно возникает необходимость в стабилизации тех или иных параметров. С этой целью применяются специальные схемы управления и слежения за ними. Точность стабилизирующих действий зависит от так называемого эталона, с которым и сравнивается конкретный параметр, например, напряжение. То есть, когда значение параметра будет ниже эталона, схема стабилизатора напряжения включит управление и отдаст команду на его увеличение. В случае необходимости выполняется обратное действие — на уменьшение.
Данный принцип работы лежит в основе автоматического управления всеми известными устройствами и системами. Точно так же действуют и стабилизаторы напряжения, несмотря на разнообразие схем и элементов, используемых для их создания.
Схема стабилизатора напряжения 220в своими руками
При идеальной работе электрических сетей, значение напряжения должно изменяться не более чем на 10% от номинала в сторону увеличения или уменьшения.
Однако на практике перепады напряжения достигают гораздо больших значений, что крайне отрицательно сказывается на электрооборудовании, вплоть до его выхода из строя.
Защититься от подобных неприятностей поможет специальное стабилизирующее оборудование. Однако из-за высокой стоимости, его применение в бытовых условиях во многих случаях экономически невыгодно. Наилучшим выходом из положения становится самодельный стабилизатор напряжения 220в, схема которого достаточно простая и недорогая.
За основу можно взять промышленную конструкцию, чтобы выяснить, из каких деталей она состоит. В состав каждого стабилизатора входят трансформатор, резисторы, конденсаторы, соединительные и подключающие кабели. Самым простым считается стабилизатор переменного напряжения, схема которого действует по принципу реостата, повышая или понижая сопротивление в соответствии с силой тока. В современных моделях дополнительно присутствует множество других функций, обеспечивающих защиту бытовой техники от скачков напряжения.
Среди самодельных конструкций наиболее эффективными считаются симисторные устройства, поэтому в качестве примера будет рассматриваться именно эта модель. Выравнивание тока этим прибором будет возможно при входном напряжении в диапазоне 130-270 вольт. Перед началом сборки необходимо приобрести определенный набор элементов и комплектующих. Он состоит из блока питания, выпрямителя, контроллера, компаратора, усилителей, светодиодов, автотрансформатора, узла задержки включения нагрузки, оптронных ключей, выключателя-предохранителя. Основными рабочими инструментами служат пинцет и паяльник.
Для сборки стабилизатора на 220 вольт в первую очередь потребуется печатная плата размером 11,5х9,0 см, которую нужно заранее подготовить. В качестве материала рекомендуется использовать фольгированный стеклотекстолит. Схема размещения деталей распечатывается на принтере и переносится на плату с помощью утюга.
Трансформаторы для схемы можно взять уже готовые или собрать самостоятельно.
Готовые трансформаторы должны иметь марку ТПК-2-2 12В и соединяться последовательно между собой. Для создания первого трансформатора своими руками потребуется магнитопровод сечением 1,87 см2 и 3 кабеля ПЭВ-2. Первый кабель применяется в одной обмотке. Его диаметр составит 0,064 мм, а количество витков — 8669. Оставшиеся провода используются в других обмотках. Их диаметр будет уже 0,185 мм, а число витков составит 522.
Второй трансформатор изготавливается на основе тороидального магнитопровода. Его обмотка выполняется из такого же провода, как и в первом случае, но количество витков будет другим и составит 455. Во втором устройстве делаются отводы в количестве семи. Первые три изготавливаются из провода диаметром 3 мм, а остальные из шин, сечением 18 мм2. За счет этого предотвращается нагрев трансформатора во время работы.
Все остальные комплектующие рекомендуется приобретать в готовом виде, в специализированных магазинах. Основой сборки является принципиальная схема стабилизатора напряжения, заводского изготовления.
Вначале устанавливается микросхема, выполняющая функцию контроллера для теплоотвода. Для ее изготовления используется алюминиевая пластина площадью свыше 15 см2. На эту же плату производится монтаж симисторов. Теплоотвод, предназначенный для монтажа, должен быть с охлаждающей поверхностью. После этого сюда же устанавливаются светодиоды в соответствии со схемой или со стороны печатных проводников. Собранная таким образом конструкция, не может сравниваться с заводскими моделями ни по надежности, ни по качеству работы. Такие стабилизаторы используются с бытовыми приборами, не требующими точных параметров тока и напряжения.
Схемы стабилизаторов напряжения на транзисторах
Качественные трансформаторы, применяемые в электрической цепи, эффективно справляются даже с большими помехами. Они надежно защищают бытовую технику и оборудование, установленные в доме. Настроенная система фильтрации позволяет бороться с любыми скачками напряжения. За счет контроля над напряжением происходят изменения величины тока.
Предельная частота на входе увеличивается, а на выходе — уменьшается. Таким образом, ток в цепи преобразуется в течение двух этапов.
В начале на входе задействуют транзистор с фильтром. Далее происходит включение в работу . Для завершения преобразования тока в схеме применяется усилитель, чаще всего устанавливаемый между резисторами. За счет этого в устройстве поддерживается необходимый уровень температуры.
Схема выпрямления действует следующим образом. Выпрямление переменного напряжения с вторичной обмотки трансформатора происходит с помощью диодного моста (VD1-VD4). Сглаживание напряжения выполняет конденсатор С1, после чего оно попадает в систему компенсационного стабилизатора. Действие резистора R1 задает стабилизирующий ток на стабилитроне VD5. Резистор R2 является нагрузочным. При участии конденсаторов С2 и С3 происходит фильтрация питающего напряжения.
Значение выходного напряжения стабилизатора будет зависеть от элементов VD5 и R1 для выбора которых существует специальная таблица.
VT1 устанавливается на радиаторе, у которого площадь охлаждающей поверхности должна быть не менее 50 см2. Отечественный транзистор КТ829А может быть заменен зарубежным аналогом BDX53 от компании Моторола. Остальные элементы имеют маркировку: конденсаторы — К50-35, резисторы — МЛТ-0,5.
Схема линейного стабилизатора напряжения 12в
В линейных стабилизаторах используются микросхемы КРЕН, а также LM7805, LM1117 и LM350. Следует отметить, что символика КРЕН не является аббревиатурой. Это сокращение полного названия микросхемы стабилизатора, обозначаемой как КР142ЕН5А. Таким же образом обозначаются и другие микросхемы этого типа. После сокращения такое название выглядит по-другому — КРЕН142.
Линейные стабилизаторы или стабилизаторы напряжения постоянного тока схемы получили наибольшее распространение. Их единственным недостатком считается невозможность работы при напряжении, которое будет ниже заявленного выходного напряжения.
Например, если на выходе LM7805 нужно получить напряжение в 5 вольт, то входное напряжение должно быть, как минимум 6,5 вольт.
При подаче на вход менее 6,5В, наступит так называемая просадка напряжения, и на выходе уже не будет заявленных 5-ти вольт. Кроме того, линейные стабилизаторы очень сильно нагреваются под нагрузкой. Это свойство лежит в основе принципа их работы. То есть, напряжение, выше стабилизируемого, преобразуется в тепло. Например, при подаче на вход микросхемы LM7805 напряжения 12В, то в этом случае 7 из них уйдут для нагрева корпуса, и лишь необходимые 5В поступят потребителю. В процессе трансформации происходит настолько сильный нагрев, что данная микросхема просто сгорит при отсутствии охлаждающего радиатора.
Регулируемый стабилизатор напряжения схема
Нередко возникают ситуации, когда напряжение, выдаваемое стабилизатором, необходимо отрегулировать. На рисунке представлена простая схема регулируемого стабилизатора напряжения и тока, позволяющая не только стабилизировать, но и регулировать напряжение. Ее можно легко собрать даже при наличии лишь первоначальных познаний в электронике.
Например, входное напряжение составляет 50В, а на выходе получается любое значение, в пределах 27 вольт.
В качестве основной детали стабилизатора используется полевой транзистор IRLZ24/32/44 и другие аналогичные модели. Данные транзисторы оборудуются тремя выводами — стоком, истоком и затвором. Структура каждого из них состоит из металла-диэлектрика (диоксида кремния) — полупроводника. В корпусе расположена микросхема-стабилизатор TL431, с помощью которой и настраивается выходное электрическое напряжение. Сам транзистор может оставаться на радиаторе и соединяться с платой проводниками.
Данная схема может работать с входным напряжением в диапазоне от 6 до 50В. Выходное напряжение получается в пределах от 3 до 27В и может быть отрегулировано с помощью подстрочного резистора. В зависимости от конструкции радиатора, выходной ток достигает 10А. Емкость сглаживающих конденсаторов С1 и С2 составляет 10-22 мкФ, а С3 — 4,7 мкФ. Схема сможет работать и без них, однако качество стабилизации будет снижено.
Электролитические конденсаторы на входе и выходе рассчитываются примерно на 50В. Мощность, рассеиваемая таким стабилизатором, не превышает 50 Вт.
Схема симисторного стабилизатора напряжения 220в
Симисторные стабилизаторы работают по аналогии с релейными устройствами. Существенным отличием является наличие узла, переключающего обмотки трансформатора. Вместо реле используются мощные симисторы, работающие под управлением контроллеров.
Управление обмотками с помощью симисторов — бесконтактное, поэтому при переключениях нет характерных щелчков. Для намотки автотрансформатора используется медный провод. Симисторные стабилизаторы могут работать при пониженном напряжении от 90 вольт и высоком — до 300 вольт. Регулировка напряжения осуществляется с точностью до 2%, отчего лампы совершенно не моргают. Однако во время переключений возникает ЭДС самоиндукции, как и в релейных устройствах.
Симисторные ключи обладают повышенной чувствительностью к перегрузкам, в связи с чем они должны иметь запас по мощности.
Данный тип стабилизаторов отличается очень сложным температурным режимом. Поэтому установка симисторов осуществляется на радиаторы с принудительным вентиляторным охлаждением. Точно так же работает схема тиристорного стабилизатора напряжения 220В своими руками.
Существуют устройства с повышенной точностью, работающие по двухступенчатой системе. На первой ступени выполняется грубая регулировка выходного напряжения, а на второй ступени этот процесс осуществляется значительно точнее. Таким образом, управление двумя ступенями выполняется с помощью одного контроллера, что фактически означает наличие двух стабилизаторов в едином корпусе. Обе ступени имеют обмотки, намотанные в общем трансформаторе. При наличии 12 ключей, эти две ступени позволяют регулировать выходное напряжение в 36 уровнях, чем и обеспечивается его высокая точность.
Стабилизатор напряжения с защитой по току схема
Данные устройства обеспечивают питание преимущественно для низковольтных устройств. Такой стабилизатор тока и напряжения схема отличается простотой конструкции, доступной элементной базой, возможностью плавных регулировок не только выходного напряжения, но и тока, при котором срабатывает защита.
Основой схемы является параллельный стабилизатор или регулируемый стабилитрон, а также с высокой мощностью. С помощью так называемого измерительного резистора контролируется ток, потребляемый нагрузкой.
Иногда на выходе стабилизатора возникает короткое замыкание или ток нагрузки превышает установленное значение. В этом случае на резисторе R2 падает напряжение, а транзистор VT2 открывается. Происходит и одновременное открытие транзистора VT3, шунтирующего источник опорного напряжения. В результате, значение выходного напряжения снижается практически до нулевого уровня, и регулирующий транзистор оказывается защищенным от перегрузок по току. Для того чтобы установить точный порог срабатывания токовой защиты, применяется подстроечный резистор R3, включаемый параллельно с резистором R2. Красный цвет светодиода LED1 указывает на срабатывание защиты, а зеленый LED2 — на выходное напряжение.
После правильно выполненной сборки схемы мощных стабилизаторов напряжения сразу же включаются в работу, достаточно всего лишь выставить необходимое значение выходного напряжения.
После загрузки устройства реостатом выставляется ток, при котором срабатывает защита. Если защита должна срабатывать при меньшем токе, для этого необходимо увеличить номинал резистора R2. Например, при R2 равном 0,1 Ом, минимальный ток срабатывания защиты будет составлять около 8А. Если же нужно, наоборот, увеличить ток нагрузки, следует параллельно включить два и более транзисторов, в эмиттерах которых имеются выравнивающие резисторы.
Схема релейного стабилизатора напряжения 220
С помощью релейного стабилизатора обеспечивается надежная защита приборов и других электронных устройств, для которых стандартный уровень напряжения составляет 220В. Данный стабилизатор напряжения 220В, схема которого всем известна. Пользуется широкой популярностью, благодаря простоте своей конструкции.
Для того чтобы правильно эксплуатировать это устройство, необходимо изучить его устройство и принцип действия. Каждый релейный стабилизатор состоит из автоматического трансформатора и электронной схемы, управляющей его работой.
Кроме того, имеется реле, помещенное в надежный корпус. Данный прибор относится к категории вольтодобавочных, то есть с его помощью лишь добавляется ток в случае низкого напряжения.
Добавление необходимого количества вольт осуществляется путем подключения обмотки трансформатора. Обычно для работы используется 4 обмотки. В случае слишком высокого тока в электрической сети, трансформатор автоматически уменьшает напряжение до нужного значения. Конструкция может быть дополнена и другими элементами, например, дисплеем.
Таким образом, релейный стабилизатор напряжения имеет очень простой принцип работы. Ток измеряется электронной схемой, затем, после получения результатов, он сравнивается с выходным током. Полученная разница в напряжении регулируется самостоятельно путем подбора необходимой обмотки. Далее, подключается реле и напряжение выходит на необходимый уровень.
Стабилизатор напряжения и тока на LM2576
В статье рассматривается возможность безразрывного переключения цепей переменного тока с помощью электромеханических реле.
Показана возможность уменьшения эрозии контактов реле и, как следствие повышение долговечности и уменьшение помех от работы на примере стабилизатора напряжения сети для квартиры.
Идея
Встретил в интернете рекламу на сайте ООО «Прибор», г. Челябинск:Стабилизаторы напряжения марки Селен, выпускаемые нашим предприятием, основаны на принципе ступенчатого регулирования напряжения путем безразрывного переключения обмоток автотрансформатора (патент на изобретение № 2356082). В качестве ключей используются мощные быстродействующие реле.
Приведены картинки переключений (слева «Селен», справа — с обычными характеристиками)
Меня эта информация заинтересовала, я вспомнил, что в кинопередвижке «Украина» тоже было безразрывное переключение напряжения – там, на время переключения между смежными контактами переключателя подключался проволочный резистор. Я стал искать в интернете, что-либо полезное по этому поводу. Ознакомиться с изобретением №2356082 я не смог.

Мне удалось найти статью «Типы стабилизаторов напряжения», где рассказывалось о возможности подключения диода к контактам реле в момент переключения. Идея заключается в том, чтобы в переменном напряжении произвести переключение во время положительного полупериода. При этом можно подключить диод параллельно контактам реле на время переключения.
Что дает такой способ? Переключение 220В меняется на переключение всего 20В, и так как нет разрыва тока нагрузки, то и практически нет дуги. Кроме того, при малых напряжениях дуга практически не возникает. Нет дуги – контакты не подгорают и не изнашиваются, надежность увеличивается в 10 и более раз. Долговечность контактов будет определяться только механическим износом, а он составляет 10 миллионов переключений.
На базе этой статьи были взяты самые обычные реле и измерены время отключения, время нахождения в разорванном состоянии и время включения. Во время измерений увидел на осциллографе дребезг контактов, который вызывал большое искрение и эрозию контактов, что резко уменьшает ресурс работы реле.

Для реализации и проверки этой идеи был собран релейный стабилизатор переменного тока мощностью 2 кВт, для питания квартиры. Вспомогательные реле подключают диод только на время переключения основного реле во время положительного полупериода. Оказалось, что реле имеют значительные времена задержки и дребезга, но, тем не менее операцию переключения удалось умесить в один полупериод.
Принципиальная схема
Состоит из автотрансформатора переключаемого как по входу, так и по выходу при помощи реле.
В схеме применено прямое измерение переменного напряжения микроконтроллером. Выходное напряжение через делитель R13, R14, R15, R16 поступает на вход микроконтроллера через конденсатор C10 .
Питание реле и микросхемы осуществляется через диод D3 и микросхему U1 . Кнопка SB1 совместно с резистором R1 служат для калибровки стабилизатора. Транзисторы Q1-Q4 – усилители для реле.
Реле Р1 и Р2 – основные, а реле Р1а и Р2а совместно с диодами D1 и D5 и замыкают цепь во время переключения основных реле.
Для уменьшения времени отключения реле в усилителях реле, применены транзисторы BF422 и обмотки реле шунтированы диодами 1N4007 и диодами Зенера на 150 Вольт, включенными встречно.Для уменьшения импульсных помех, попадающих из сети, на входе и выходе стабилизатора стоят конденсаторы C1 и C11.
Трехцветный светодиод индицирует уровни напряжения на входе стабилизатора: красный – низкое, зеленый – норма, синий – высокое.
Программа
Программа написана на языке СИ (mikroC PRO for PIC), разбита на блоки и снабжена комментариями. В программе применено прямое измерение переменного напряжения микроконтроллером, что позволило упростить схему. Микропроцессор применен PIC16F676 .Блок программы zero ожидает появление спадающего перехода через ноль
По этому перепаду происходит либо измерение величины переменного напряжения, либо начинается переключение реле.
Блок программы izm_U измеряет амплитуды отрицательного и положительного полупериодов
В основной программе производиться обработка результатов измерений и если необходимо дается команда на переключение реле.
Для каждой группы реле написаны отдельные программы включения и выключения с учетом необходимых задержек R2on , R2off , R1on и R1off .
5-й бит порта C задействован в программе для подачи импульса синхронизации на осциллограф, чтобы можно было посмотреть на результаты эксперимента.
Технические характеристики
При изменении входного напряжения в пределах 195-245 Вольт выходное напряжение поддерживается с точностью 7%. При изменении входного напряжения в пределах 185-255 Вольт выходное напряжение поддерживается с точностью 10%Выходной ток в длительном режиме 9 А.
Детали и конструкция
При сборке использован трансформатор ТПП 320-220-50 200 Вт. Обмотки его соединены на 240 Вольт, что позволило уменьшить ток холостого хода. Основные реле TIANBO HJQ-15F-1 , а вспомогательные LIMING JZC — 22F .Все детали установлены на печатной плате, закрепленной на трансформаторе. Диоды D1 и D5 должны выдерживать ток 30-50А в течение времени переключения (5-10 мсек).

Прибор повешен на стене и закрыт кожухом из жести
Настройка
Налаживание устройства заключается в проверке безобрывного переключения и установке номинального напряжения 220 Вольт с помощью построечного резистора R15 и кнопки SB1.Необходимо подать на вход напряжение от ЛАТР»а через лампу накаливания мощностью 100 – 150 Вт, установить напряжение 220 Вольт и удерживая кнопку добиться зеленого свечения, вращая построечный резистор.
После этого кнопку отпустить, вольтметр подключить к выходу устройства и вращая ЛАТР проверить пороги переключения: нижний 207 Вольт и верхний 232 вольта. При этом лампа накаливания при переключениях не должна вспыхивать или светиться, что свидетельствует о правильной работе. Также работу безобрывного переключения можно увидеть на осциллографе, для этого надо подключить внешний запуск к порту RC5 и наблюдать выходное напряжение стабилизатора в, изменяя входное напряжение. В моменты переключений синусоида на выходе не должна разрываться.
При напряжении на выходе меньше 187V горит красный диод, а зеленый мигает.
При напряжении на выходе больше 242V горит синий диод, а зеленый мигает.
Стабилизатор работает у меня 3-й месяц и показал себя очень хорошо. До этого у меня работал стабилизатор предыдущей разработки . Он работал хорошо, но иногда в момент его переключения срабатывал источник бесперебойного питания компьютера. С новым стабилизатором эта проблема исчезла безвозвратно.
Учитывая, что в реле резко уменьшилась эрозия контактов (практически нет искрения), можно было бы в качестве основных использовать менее мощные реле (LIMING JZC — 22F).
Замеченные недостатки
Довольно сложно было подобрать в программе время задержки реле.Для такого включения желательно применять более быстродействующие реле.
Выводы
a) Безобрывное переключение цепей переменного тока с помощью реле – вполне реальная и разрешимая задача.b) Можно в качестве вспомогательного реле применить тиристор или симистор, тогда на реле не будет падения напряжения, а симистор за 10 мсек не успеет нагреться.
c) В таком режиме искрение контактов резко уменьшается, а долговечность возрастает, и уменьшаются помехи от переключений реле
Использованы источники
1. на сайте “Энергосбережение в Украине”2. Официальный web-сайт предприятия ООО «Прибор», г. Челябинск
3. Даташиты на детали
Файлы
Схема, чертеж печатной платы и программа с прошивкой▼ 🕗 12/08/12 ⚖️ 211,09 Kb ⇣ 165 Здравствуй, читатель! Меня зовут Игорь, мне 45, я сибиряк и заядлый электронщик-любитель. Я придумал, создал и содержу этот замечательный сайт с 2006 года.
Уже более 10 лет наш журнал существует только на мои средства.
Хорош! Халява кончилась. Хочешь файлы и полезные статьи — помоги мне!
Подборка радиолюбительских схем и конструкций стабилизаторов напряжения собранных своими руками. Часть схем рассматривают стабилизатор без защиты от КЗ в нагрузке, в других заложена возможность плавного регулирования напряжения от 0 до 20 Вольт. Ну а отличительной чертой отдельных схемы является возможность защиты от короткого замыкания в нагрузке.
5 очень простых схем в основном собранных на транзисторах, одна из них, с защитой от КЗ
Очень часто бывает когда для питания вашей новодельной электронной самоделки требуется стабильное напряжение, которое не меняется от нагрузки, например, 5 Вольт или 12 Вольт для питания автомагнитолы. И чтобы сильно не заморачиваться с конструированием самодельного блока питания на транзисторах, используются так называемые микросхемы стабилизаторы напряжения. На выходе такого элемента мы получим напряжение, на которое спроектирован этот прибор
Многие радиолюбители уже неоднократно собирали схемы стабилизаторов напряжения на специализированных микросхемах серий 78хх, 78Мхх, 78Lxx. Например, на микросхеме KIA7805 можно собрать самодельную схему рассчитаную на выходное напряжение +5 В и максимальный ток нагрузки 1 А. Но мало кто знает, что имеются узко специализированный микросхемы серии 78Rxx, которые сочитают в себе стабилизаторы напряжения положительной полярности с малым напряжением насыщения, которое не превышает 0, 5 В при токе нагрузки 1 А.
Одну из этих схем мы и рассмотрим более подробно.
Регулируемый трехвыводной стабилизатор положительного напряжения LM317 обеспечивает ток нагрузки 100 мА в диапазоне выходного напряжения от 1.2 до 37 В. Стабилизатор очень удобен в применении и требуют только два внешних резистора для обеспечения выходного напряжения. Кроме того, нестабильность по напряжению и току нагрузки у стабилизатора LM317L имеет лучшие показателями, чем у традиционных стабилизаторов с фиксированным значением выходного напряжения.
Для стабилизации напряжения постоянного тока достаточно большой мощности в числе других применяются компенсационные стабилизаторы непрерывного действия. Принцип действия такого стабилизатора заключается в поддержании выходного напряжения на заданном уровне за счет изменения падения напряжения на регулирующем элементе. При этом величина управляющего сигнала, поступающего на регулирующий элемент, зависит от разницы между заданным и выходным напряжениями стабилизатора.
При стационарной эксплуатации аппаратуры, CD и аудиоплейеров возникают проблемы с БП.
Большинство блоков питания, выпускаемых серийно отечественным производителем, (если быть точным) практически все не могут удовлетворить потребителя, так как содержат упрощенные схемы. Если говорить об импортных китайских
и им подобных блоках питания, то они, вообще, представляют интересный набор деталей «купи и выброси». Эти и многие другие проблемы заставляют радиолюбителейно изготовлять блоки питания. Но и на этом этапе любители сталкиваются с проблемой выбора: конструкций опубликовано множество, но не все хорошо работают. Данная радиолюбительская разработка представлена как вариант нетрадиционного включения операционного усиителя, ранее опубликованного и вскоре забытого
Почти все радиолюбительские самоделки и конструкции имеют в своем составе стабилизированный источник питания. А если ваша конструкция работает от напряженияпять вольт, то лучшим вариантом будет использование трехвыводного интегрального стабилизатора 78L05
Стабилизатор напряжения на 220 вольт |
Изготовление самодельных стабилизаторов напряжения – практика довольно частая.
Однако по большей части создаются стабилизирующие электронные схемы, рассчитанные на относительно малые выходные напряжения (5-36 вольт) и относительно невысокие мощности. Устройства используются в составе бытовой аппаратуры, не более того.
Мы расскажем, как сделать мощный стабилизатор напряжения своими руками. В предложенной нами статье описан процесс изготовления устройства для работы с напряжением сети 220 вольт. С учетом наших советов вы без проблем самостоятельно справитесь со сборкой.
Стремления обеспечить стабилизированное напряжение бытовой сети – явление очевидное. Такой подход обеспечивает сохранность эксплуатируемой техники, зачастую дорогостоящей, постоянно необходимой в хозяйстве. Да и в целом, фактор стабилизации – это залог повышенной безопасности эксплуатации электрических сетей.
Для бытовых целей чаще всего приобретают , автоматика которого требует подключения к электропитанию, насосного оборудования, сплит систем и подобных потребителей.
Промышленная конструкция стабилизатора сетевого напряжения, которую несложно приобрести на рынке.
Ассортимент подобного оборудования огромен, но всегда остаётся возможность сделать собственную конструкцию
Решить подобную задачу можно разными способами, самый простой из которых – купить мощный стабилизатор напряжения, изготовленный промышленным способом.
Предложений на коммерческом рынке масса. Однако нередко возможности приобретения ограничиваются стоимостью устройств или другими моментами. Соответственно, альтернативой покупке становится сборка стабилизатора напряжения своими руками из доступных электронных компонентов.
При условии обладания соответствующими навыками и знаниями электромонтажа, теории электротехники (электроники), разводки схем и пайки элементов самодельный стабилизатор напряжения можно реализовать и успешно применять на практике. Такие примеры есть.
Примерно так может выглядеть оборудование стабилизации, изготовленное своими руками из доступных и недорогих радиодеталей. Шасси и корпус можно подобрать от старого промышленного оборудования (например, от осциллографа)
Схемные решения стабилизации электросети 220В
Рассматривая возможные схемные решения под стабилизацию напряжения с учётом относительно высокой мощности (не менее 1-2 кВт), следует иметь в виду разнообразие технологий.
Существует несколько схемных решений, которыми определяются технологические способности приборов:
- феррорезонансные;
- сервоприводные;
- электронные;
- инверторные.
Какой вариант выбрать, зависит от ваших предпочтения, имеющихся материалов для сборки и навыков работы с электротехническим оборудованием.
Вариант #1 – феррорезонансная схема
Для самостоятельного изготовления самым простым вариантом схемы видится первый пункт списка – феррорезонансная схема. Она работает на использовании эффекта магнитного резонанса.
Структурная схема простого стабилизатора, выполненного на основе дросселей: 1 – первый дроссельный элемент; 2 – второй дроссельный элемент; 3 – конденсатор; 4 – сторона входного напряжения; 5 – сторона выходного напряжения
Конструкцию достаточно мощного феррорезонансного стабилизатора допустимо собрать всего на трёх элементах:
- Дроссель 1.
- Дроссель 2.
- Конденсатор.
Однако простота в данном варианте сопровождается массой неудобств.
Конструкция мощного стабилизатора, собранная по феррорезонансной схеме, получается массивной, громоздкой, тяжелой.
Вариант #2 – автотрансформатор или сервопривод
Фактически речь идет о схеме, где используется принцип автотрансформатора. Трансформация напряжения автоматически осуществляется за счет управления реостатом, ползунок которого перемещает сервопривод.
В свою очередь сервопривод управляется сигналом, получаемым, к примеру, от датчика уровня напряжения.
Принципиальная схема сервоприводного аппарата, сборка которой позволит создать мощный стабилизатор напряжения для дома или на дачу. Однако этот вариант считается технологически устаревшим
Примерно по такой же схеме действует устройство релейного типа с той лишь разницей, что коэффициент трансформации меняется, в случае надобности, подключением или отключением соответствующих обмоток с помощью реле.
Схемы подобного рода выглядят уже более сложными технически, но при этом не обеспечивают достаточной линейности изменения напряжения.
Собрать вручную прибор релейный или на сервоприводе допустимо. Однако разумнее выбрать электронный вариант. Затраты сил и средств практически одинаковые.
Вариант #3 – электронная схема
Сборка мощного стабилизатора по схеме электронного управления при обширном ассортименте радиодеталей в продаже становится вполне возможной. Как правило, такие схемы собираются на электронных компонентах – симисторах (тиристорах, транзисторах).
Также разработан целый ряд схем стабилизаторов напряжения, где в качестве ключей используются силовые полевые транзисторы.
Структурная схема модуля электронной стабилизации: 1 – входные клеммы устройства; 2 – симисторный блок управления трансформаторными обмотками; 3 – микропроцессорный блок; 4 – выходные клеммы на подключение нагрузки
Изготовить мощный аппарат полностью под электронным управлением руками неспециалиста достаточно сложно, лучше . В этом деле без опыта и знаний в сфере электротехники не обойтись.
Под самостоятельное производство рассматривать этот вариант целесообразно, если имеется сильное желание построить стабилизатор, плюс наработанный опыт электронщика.
Далее в статье рассмотрим конструкцию электронного исполнения, пригодную для изготовления своими руками.
Подробные инструкции по сборке
Рассматриваемая под самостоятельное изготовление схема, скорее является гибридным вариантом, так как предполагает использование силового трансформатора совместно с электроникой. Трансформатор в данном случае применяется из числа тех, что устанавливались в телевизорах старых моделей.
Вот такой примерно силовой трансформатор потребуется под изготовление самодельной конструкции стабилизатора. Однако не исключается подбор других вариантов или же намотка своими руками
Правда в ТВ приёмниках, как правило, ставились трансформаторы ТС-180, тогда как для стабилизатора требуется как минимум ТС-320 чтобы обеспечить выходную нагрузку до 2 кВт.
Шаг #1 – изготовление корпуса стабилизатора
Для изготовления корпуса аппарата подойдёт любой подходящий короб на основе изолирующего материала – пластмассы, текстолита и т.п.
Главный критерий – достаточность места под размещение силового трансформатора, электронной платы и других компонентов.
Также корпус допустимо изготовить из листового стеклотекстолита, скрепив отдельные листы с помощью уголков или иным способом.
Допустимо подобрать корпус от любой электроники, подходящий под размещение всех рабочих компонентов схемы самодельного стабилизатора. Также корпус можно собрать своими руками, к примеру, из листов стеклотекстолита
Короб стабилизатора необходимо оснастить пазами под установку выключателя, входного и выходного интерфейсов, а также других аксессуаров, предусмотренных схемой в качестве контрольных или коммутационных элементов.
Под изготовленный корпус нужна плита-основание, на которую «ляжет» электронная плата и будет закреплён трансформатор. Плиту можно сделать из алюминия, но следует предусмотреть изоляторы под крепёж электронной платы.
Шаг #2 – изготовление печатной платы
Здесь потребуется изначально спроектировать макет на размещение и связку всех электронных деталей согласно принципиальной схеме, кроме трансформатора.
Затем по макету размечают лист фольгированного текстолита и рисуют (отпечатывают) на стороне фольги созданную трассировку.
Изготовить печатную плату стабилизатора вполне доступными способами можно непосредственно в домашних условиях. Для этого нужно приготовить трафарет и набор средств для травления на фольгированном текстолите
Полученный таким способом печатный экземпляр разводки зачищают, облуживают оловом и производят монтаж всех радиодеталей схемы с последующей пайкой. Так выполняется изготовление электронной платы мощного стабилизатора напряжения.
В принципе, можно воспользоваться сторонними услугами по травлению печатных плат. Этот сервис вполне приемлем по цене, а качество изготовления «печатки» существенно выше, чем в домашнем варианте.
Шаг #3 – сборка стабилизатора напряжения
Укомплектованная радиодеталями плата подготавливается для внешней обвязки. В частности, от платы выводятся линии внешней связи (проводники) с другими элементами – трансформатором, выключателем, интерфейсами и т.
д.
На опорную плиту корпуса устанавливают трансформатор, соединяют с трансформатором цепи электронной платы, закрепляют плату на изоляторах.
Пример самодельного стабилизатора напряжения релейного типа, изготовленного в домашней обстановке, помещённого в корпус от пришедшего в негодность промышленного измерительного прибора
Останется только подключить к схеме внешние элементы, смонтированные на корпусе, установить ключевой транзистор на радиатор, после чего корпусом закрывают собранную электронную конструкцию. Стабилизатор напряжения готов. Можно приступать к настройке с дальнейшими испытаниями.
Принцип работы и тест самоделки
Регулирующим элементом электронной схемы стабилизации выступает мощный полевой транзистор типа IRF840. Напряжение для обработки (220-250В) проходит первичную обмотку силового трансформатора, выпрямляется диодным мостом VD1 и поступает на сток транзистора IRF840. Исток этого же компонента соединен с минусовым потенциалом диодного моста.
Схема принципиальная стабилизирующего блока высокой мощности (до 2 кВт), на основе которой были собраны и успешно используются несколько аппаратов. Схема показала оптимальный уровень стабилизации при указанной нагрузке, но не выше
Часть схемы, в которую включена одна из двух вторичных обмоток трансформатора, образуется диодным выпрямителем (VD2), потенциометром (R5) и другими элементами электронного регулятора. Этой частью схемы формируется управляющий сигнал, который поступает на затвор полевого транзистора IRF840.
На случай повышения напряжения питающей сети управляющим сигналом понижается напряжение затвора полевого транзистора, что приводит к закрытию ключа. Соответственно, на контактах подключения нагрузки (XT3, XT4) возможное повышение напряжения ограничивается. Обратным вариантом работает схема на случай понижения сетевого напряжения.
Настройка прибора особой сложностью не отличается. Здесь потребуется обычная лампа накаливания (200-250 Вт), которую следует включить на клеммы выхода прибора (X3, X4).
Далее вращением потенциометра (R5) напряжение на отмеченных клеммах доводят до уровня 220-225 вольт.
Выключают стабилизатор, отключают лампу накаливания и включают прибор уже с полноценной нагрузкой (не выше 2 кВт).
После 15-20 минут работы вновь отключают аппарат и производят контроль температуры радиатора ключевого транзистора (IRF840). Если нагрев радиатора существенный (более 75º), следует подобрать более мощный теплоотводящий радиатор.
Если процесс изготовления стабилизатора показался вам слишком сложным и нерациональным с практической точки зрения, без особых проблем можно найти и приобрести устройство заводского исполнения. Правила и критерии приведены в рекомендуемой нами статье.
Выводы и полезное видео по теме
В видеоролике ниже рассматривается одна из возможных конструкций стабилизатора домашнего изготовления.
В принципе, можно взять на заметку этот вариант самодельного аппарата стабилизации:
Сборка блока, стабилизирующего сетевое напряжение, своими руками возможна.
Это подтверждается многочисленными примерами, когда радиолюбители с небольшим опытом вполне успешно разрабатывают (или применяют существующую), готовят и собирают схему электроники.
Трудностей с приобретением деталей для изготовления стабилизатора-самоделки обычно не отмечается. Расходы на производство невысоки и естественным образом окупаются, когда стабилизатор вводят в эксплуатацию.
Оставляйте, пожалуйста, комментарии, задавайте вопросы, публикуйте фото по теме статьи в находящемся ниже блоке. Расскажите о том, как собрали стабилизатор напряжения собственными руками. Поделитесь полезной информацией, которая может пригодиться посещающим сайт начинающим электротехникам.
Оптимальным способом работы электрических сетей считается изменение функций тока, а также требуемого напряжения на 10% от 220В. Однако так как скачки изменяются достаточно часто, соответственно электрическим устройствам, которые напрямую подсоединены к сети, угрожает поломка.
Чтобы исключить такие неприятности, необходимо установить определённое оборудование.
А так как магазинное устройство имеет достаточно высокую стоимость, естественно многие собирают стабилизатор собственноручно.
Оправдано ли подобное решение и что требуется для воплощения его в реальность?
Принцип функционирования стабилизатора
Приняв решение создать самодельный стабилизатор, как на фото, нужно посмотреть во внутреннюю часть корпуса, которая состоит из определённых деталей. Принцип работы обычного прибора основан непосредственно на функционировании реостата, который увеличивает либо уменьшает сопротивление.
Кроме этого, предложенные модели имеют разнообразие функций, а также полностью могут обеспечить защиту технике от нежелательных перепадов скачущего напряжения в сети.
Оборудование классифицируется в зависимости от способов, применяемых для урегулирования тока. Так как величина является направленным продвижением частичек, соответственно влиять на неё можно механическим, либо импульсным методом.
Первый работает по закону Ома.
Устройства, функционирование которых основано на нём, носят название линейные. В них включено несколько колен, совмещаемых посредством реостата.
Напряжение, которое подаётся на одну деталь, проходит посредством реостата, оказываясь подобным способом на другую, с которого передаётся потребителю.
Данного вида устройства дают возможность выставлять требуемые параметры тока максимально точно и вполне могут подвергнуться модернизации специальными узлами.
Однако недопустимо применять подобные стабилизаторы в сетях, где между током разница большая, поскольку они не обезопасят в полной мере от КЗ технику при перегрузках.
Варианты импульсные функционируют по методу амплитудной токовой модуляции. В цепи применяется выключатель, который её разрывает через необходимый период времени. Подобный подход даёт возможность накапливать необходимый ток в конденсаторе максимально равномерно, а по окончанию зарядки и затем на устройства.
Начинаем сборку
Так как к самому эффективному относится симисторный прибор, то поговорим, как собственными руками сделать непосредственно подобный стабилизатор.
Важно подчеркнуть, что данного типа модель сможет выравнивать подаваемый ток при таком условии, что напряжение в диапазоне 130-270 В. Потребуются также комплектующие элементы. Из инструментов нужен пинцет, а также паяльник.
Поэтапность изготовления
Согласно подробной инструкции, как смонтировать стабилизатор, прежде всего, следует подготовить требуемого размера плату печатную. Создаётся она из стеклотекстолита специального фольгированного. Микросхема расположения элементов может быть в напечатанном формате, либо перенесённой на плату посредством утюга.
Затем схемой создания простого стабилизатора предусмотрена непосредственно сборка прибора. Для данного элемента понадобится магнитопровод, несколько кабелей.
Один провод диаметром в 0,064 мм применяется для изготовления обмотки. Количество требуемых витков достигает 8669.
Остальные два провода используют для создания оставшихся обмоток, характеризующиеся в сравнении с первым вариантом диаметром в 0,185 мм. Число обустраиваемых витков для данных обмоток равно не менее 522.
При необходимости упростить поставленную задачу предпочтительно воспользоваться последовательно соединяющимися трансформаторами марки ТПК-2-2 12В.
При самостоятельном производстве данных деталей по окончанию создания одной из них переходят к производству другой. В этих целях потребуется магнитопровод троидальный. В качестве обмотки подходит тоже ПЭВ-2 с числом витков 455.
К тому же пошаговым собственноручным изготовлением стабилизатора во втором приборе следует произвести 7 отводов. При этом для нескольких трёх применяется провод 3 мм в диаметре, для других используются шины 18 мм2 сечением.
Это даст возможность исключить нежелательное нагревание устройства во время рабочего процесса.
Остальные элементы следует покупать в специализированной торговой точке. Как только всё нужное закуплено, следует собрать прибор.
Работы следует начинать с установки необходимой микросхемы, которая выступает в качестве контроллёра на обустраиваемый теплоотвод, производимый из платины. Помимо этого на него устанавливаются симисторы. Затем на плату монтируются светодиоды мигающие.
Если создание приборов симисторного для вас является сложной задачей, то рекомендуется остановиться на линейном варианте, характеризующемся подобными свойствами.
Фото стабилизаторов своими руками
Как выбрать стабилизатор напряжения | Стабилизаторы напряжения | Блог
Вместо привычного с детства числа 220 в маркировке современных электроприборов все чаще попадается 230.
С недавних пор именно 230 В является стандартным напряжением в России и многих других странах. Впрочем, для большинства электроприборов разницы между 230 и 220 В нет никакой. Стандартом допускаются отклонения напряжения сети на ±10%, т.е. от 207 до 253 В. Производители бытовой техники ориентируются именно на эти показатели.
Однако в реальности напряжение в этих рамках удерживается не всегда. В новых микрорайонах, в деревнях и поселках часто к старой подстанции, рассчитанной на определенную нагрузку, подключается много новых потребителей. Это приводит к падению напряжения до 190 В и даже ниже, что бывает хорошо заметно по горящим в полнакала лампочкам. К сожалению, снижением яркости лампочек проблема не исчерпывается. Возрастают токи в обмотках электродвигателей насосов, холодильников, стиральных машин, посудомоек и пр. Это может привести к выходу двигателя из строя.
Бывает в сети и повышенное напряжение, также довольно частое в загородных домах – иногда подстанции намеренно подстраиваются на выдачу повышенного напряжения, чтобы на удаленных потребителях оно поднялось до нормального.
При этом на потребителях, близких к подстанции, оно может быть около 250 В. Если при этом еще и нулевой провод окажется не заземлен, то из-за перекоса фаз напряжение может подняться еще выше – до 260 В и даже больше. Ну и не так уж редки случаи, когда электрики случайно подключают в щитке вместо нулевого провода – еще одну фазу, выдавая потребителям 400 В вместо 230. Повышенное напряжение вредно всем потребителям без исключения, поскольку ведет к увеличению выделения тепла, перегреву деталей, выходу их из строя и даже воспламенению.
Можно защитить все электроприборы в доме, установив во входном щитке реле напряжения, но это не решит проблему полностью – при выходе напряжения за установленные рамки оно просто обесточит потребителей. Чтобы защититься от длительных просадок или повышений напряжения, следует ставить стабилизатор.
Конечно, можно поставить мощный стабилизатор на входе в дом и защитить всю технику скопом, но это будет стоить весьма недешево. Тем более что особой надобности в этом и нет – различные электроприборы по-разному реагируют на повышенное или пониженное напряжение.
Вполне возможно, что не всей вашей технике нужна защита стабилизатором.
Защита электроприборов
Холодильники, морозильники и кондиционеры требуют защиты в первую очередь – пониженное напряжение в сети может стать причиной поломки компрессора и дорогостоящего ремонта.
Но еще одна особенность этой техники в том, что многие модели могут выйти из строя при быстром выключении-включении. Дело в том, что при выключении компрессора давление в системе выравнивается в течение некоторого времени (1-3 минуты). Если запустить компрессор раньше, его двигатель будет работать с повышенной нагрузкой (или вообще не сможет запуститься), что может привести к поломке. Современные холодильники и кондиционеры большей частью имеют встроенное реле задержки, но если у вас есть сомнения, или в руководстве указано, что перед повторным пуском следует выждать некоторое время, то стабилизатор обязательно должен иметь функцию задержки запуска минимум на 1 минуту.
Насосы, как погружные, так и поверхностные также требуют защиты от пониженного/повышенного напряжения и им тоже нужна задержка запуска.
При пуске двигатель насоса в течение 1-2 секунд потребляет ток, в несколько раз превышающий номинальный. При этом обмотка двигателя нагревается. При обычном пуске излишки тепла снимаются прокачиваемой водой, но если напряжение в сети пропадает и появляется, то пусковые токи длятся дольше, а двигатель не успевает раскрутиться и прокачать воду. Контактирующая с насосом вода перегревается вплоть до закипания, что приводит к поломке насоса и перегоранию обмоток двигателя. Поэтому стабилизатор, защищающий насосы, должен также иметь задержку запуска в 5-10 секунд.
СВЧ-печь не выйдет из строя при падении напряжения, но эффективность её при этом снизится многократно. Если отвезенная на дачу «микроволновка» перестала греть, не спешите везти её в ремонт – возможно, дело в низком напряжении сети. Стабилизатор легко устранит эту проблему.
Электроника (компьютеры, современные телевизоры, аудиотехника), оснащенная импульсными блоками питания, пониженного напряжения не боится. Обычно это указывается в руководстве или прямо на блоке питания: «INPUT: 100-240 V».
Так что, если ваша проблема состоит в пониженном напряжении, стабилизатор такой технике не нужен. Другое дело, если оно повышенное – при длительном воздействии напряжения от 240 В и выше, нагрузка (как тепловая, так и электрическая) на электронику БП сильно возрастает, что довольно быстро приводит к выходу его из строя.
Энергосберегающие лампы (как люминесцентные, так и светодиодные) к пониженному напряжению довольно лояльны, а вот повышенного не любят. Если всплески напряжения в вашей сети не редкость, то их лучше защитить стабилизатором. Тем более что потребляют они немного, и одного недорогого стабилизатора мощностью в 300-500 ВА хватит на освещение частного дома.
Нагревательным приборам, лампам накаливания, электрочайникам, утюгам и прочей подобной технике падения напряжения вообще не опасны – у них просто снизится эффективность. Повышенное напряжение может ускорить их износ, но в целом, напряжение, на 10-20% превышающее номинал, для большинства подобных приборов неопасно.
Эти приборы можно включать в «проблемную» сеть без стабилизатора. Правда, это не относится ко многим современным моделям, оснащенным сложными электронными устройствами управления.
Определившись с тем, какие приборы следует защитить, следует определиться с характеристиками стабилизатора.
Характеристики стабилизаторов
Тип стабилизатора напряжения
Релейные стабилизаторы напряжения представляют собой трансформатор с несколькими отводами входной или выходной обмотки, коммутируемыми силовыми реле.
При нормальном входном напряжении трансформатор работает как разделительный – не повышая и не понижая напряжение. При выходе входного напряжения за установленные границы, электроника включает соответствующее реле, превращая трансформатор в понижающий или повышающий.
Преимущества релейных стабилизаторов:
– Низкая цена.
– Высокая перегрузочная способность – даже самые простые модели выдерживают 200% перегрузки в течение нескольких секунд.
Модели же с мощными силовыми реле, рассчитанные на высокие пусковые токи, выдерживают непродолжительные десятикратные перегрузки.
– Малое время переключения – напряжение полностью стабилизируется через 20-100 мс после выхода его за нормальные границы.
Недостатки:
– Ступенчатость регулирования. Трансформатор имеет ограниченное число отводов на обмотке, поэтому изменять напряжение может только ступенчато – по 5, 10, а на недорогих моделях – по 20 вольт на одну ступень регулирования. В целом это для техники неопасно, но на граничных напряжениях частые переключения реле, сопровождающиеся мерцанием ламп накаливания, могут раздражать.
– Шумность. Реле при переключении щелкает довольно громко.
– Износ контактов реле. Основной недостаток этого вида стабилизаторов – опасность прогара или пригара контактов реле. Если в первом случае напряжение на выходе стабилизатора просто пропадет, то второй вариант намного неприятнее. Если пригар случится во время пониженного входного напряжения, то при возврате напряжения в норму, реле останется включенным.
Трансформатор продолжит работать, как повышающий и напряжение на выходе станет повышенным! Спокойный за свою электротехнику владелец стабилизатора даже не будет подозревать, что именно в этот момент он сжигает её высоким напряжением. Поэтому не стоит выбирать релейный стабилизатор, если в сети случаются частые перепады напряжения – чем чаще реле срабатывает, тем быстрее снижается его ресурс.
Электромеханические (сервоприводные) стабилизаторы напряжения представляют собой тороидальный трансформатор с передвигающимся над внешней обмоткой токосъемником, контактирующим с обмоткой с помощью угольной щетки. При падении или превышении входного напряжения сервопривод перемещает токосъемник, нормализуя выходное.
Преимущества электромеханических стабилизаторов:
– Высокая перегрузочная способность – 200% перегрузки в течение 4-х секунд.
– Плавность регулирования.
– Высокая точность регулирования.
– Низкий уровень шума при регулировании.
Недостатки:
– Большое время переключения – токосъемник движется по обмоткам довольно медленно.
Чем больше перепад напряжения, тем медленнее стабилизатор его отрабатывает. Это может привести к появлению импульсных помех на выходе стабилизатора, вызывающих сбои в работе электротехники.
– Износ токосъемника. Токосъемник желательно периодически смазывать графитовой смазкой. Но даже своевременная смазка не предотвращает полностью износа трущихся деталей.
– Высокая цена.
Инверторный стабилизатор сделан на основе инвертора – ток сначала выпрямляется, потом, с помощью инвертора, вновь преобразуется в переменный.
Это позволяет достичь высокой точности регулирования и позволяет добиться полного отсутствия возмущений на выходе. Благодаря отсутствию движущихся контактов, у них низкий уровень шума, ресурс выше и опасности пригара контактов они лишены.
Недостатки инверторных стабилизаторов:
– Недорогие инверторы дают на выходе не чистую синусоиду, а ступенчатую. Некоторые электронные приборы (измерительные приборы, газовые котлы, аудио- и видеотехника) могут начать сбоить или вообще откажутся работать с такой синусоидой.
– Низкая перегрузочная способность. Допускается перегрузка 25-50% от номинала, в течение 1-4 секунд. Для защиты приборов, имеющих высокий пусковой ток, стабилизатор такого типа потребуется брать с большим запасом по мощности.
– Высокая чувствительность к мощным импульсным помехам. Впрочем, в бытовых сетях такие помехи — явление маловероятное.
Ступенчатые электронные стабилизаторы конструктивно схожи с релейными, однако коммутирование обмоток в них производится не с помощью реле, а с помощью мощных полупроводниковых приборов.
Это позволяет добиться высочайшей скорости регулирования (5-40 мс на переключение) при достаточно низкой цене. Эти стабилизаторы тоже не имеют движущихся контактов, бесшумны и обладают высоким ресурсом.
Но свои недостатки есть и у этого вида стабилизаторов:
– Низкая перегрузочная способность. Допускается перегрузка 20-40% от номинала, и то весьма непродолжительное время.
– Ступенчатость регулирования.
– Высокая чувствительность к мощным импульсным помехам.
Если в сети нередки сильные кратковременные всплески напряжения, прослужит такой стабилизатор недолго.
Необходимая полная выходная мощность стабилизатора рассчитывается исходя из мощностей всех подключенных к нему электроприборов. При подсчете полной мощности следует иметь в виду, что та мощность (в Ваттах), которая приводится в паспорте на электроприбор – это его активная мощность, т.е., выделяющаяся в виде тепла или света.
Нагревательные приборы и лампы накаливания имеют полную мощность, равную активной. Но некоторые потребители, содержащие в себе электродвигатели или трансформаторы, создают вдобавок к активной еще и реактивную нагрузку. Для определения их полной мощности следует активную мощность поделить на коэффициент мощности (cos(φ)), обычно указанный в паспорте на электроприбор. Если найти это значение не удается, можно воспользоваться таблицей:
Полные мощности всех потребителей следует сложить и добавить к получившейся сумме 30% — дело в том, что мощность стабилизатора приводится для напряжения 220В.
При выходе напряжения за пределы нормального, мощность стабилизатора падает на 20-30%. Именно это падение и следует компенсировать.
Но это еще не все – теперь полную мощность каждого потребителя следует помножить на пусковой коэффициент, также взяв его из паспорта или из таблицы. Сумма получившихся чисел (не забываем про 30%) – это пусковая мощность, и перегрузочная способность стабилизатора должна её обеспечивать.
Например, нам следует защитить холодильник мощностью 150 Вт, погружной насос мощностью 500 Вт и линию освещения со светодиодными лампочками суммарной мощностью 500 Вт. Необходимая полная мощность в ВА будет равна:
- 150/0,8=187,5
- 500/0,7=714,3
- 500/0,95=526,3
Суммируем полученные данные и прибавляем 30%. Итого 1857 ВА.
Пусковая мощность будет равна:
- 187,5*3=562,5
- 714,3*7=5000
- 526,3*1,5=790
Также суммируем, прибавляем 30%, получается 8258 ВА. Таким образом, нам нужен стабилизатор на 3000 ВА, способный выдержать перегрузку в три раза больше (релейный с усиленными реле), либо стабилизатор на 4500 ВА, способный выдержать в два раза больше перегрузки (релейный или электромеханический), либо электронный (ступенчатый или инверторный) на 9000 ВА.
Если такой подбор выглядит слишком сложным, то можно просто сложить активные мощности электроприборов (в Ваттах) и подобрать стабилизатор также по активной выходной мощности. Но такой подбор будет грубее: во-первых, этот метод не учитывает индивидуальных особенностей электроприборов, во-вторых, все производители по-разному рассчитывают зависимость полной и активной мощностей. И здесь также следует быть уверенным, что перегрузочная способность стабилизатора поможет ему выдержать пусковую мощность потребителей.
Разъем для подключения нагрузки может быть в виде клемм, либо в виде розеток. Если стабилизатор планируется использовать для защиты какой-либо линии электропитания (например, осветительной) предпочтительнее разъем в виде клемм.
Если же защищать планируется отдельных потребителей, то удобнее подключать их напрямую в евророзетки (СЕЕ 7), обратите внимание, чтобы количество розеток соответствовало количеству потребителей.
Некоторые стабилизаторы оснащены компьютерными розетками IEC 320 C13 – как правило, эти стабилизаторы предназначены для защиты персональных компьютеров и учитывают низкий коэффициент мощности этого вида техники.
Задержка запуска, как указывалось выше, может потребоваться для защиты некоторых видов техники, не приемлющих частых включений-выключений: холодильников, кондиционеров, насосов и пр.
Варианты выбора стабилизаторов
Для защиты отдельного маломощного потребителя – газового котла или циркуляционного насоса – будет достаточно стабилизатора полной мощностью до 1000 ВА.
Для защиты электроприборов, наиболее сильно подверженных влиянию пониженного или повышенного напряжения, будет достаточно стабилизатора в 3000-6000 ВА.
С защитой всех домашних электроприборов справится мощный стабилизатор.
Для защиты компьютера и периферии удобно использовать специализированный стабилизатор с компьютерными розетками.
Релейные и электромеханические стабилизаторы обладают высокой перегрузочной способностью и хорошо подходят для защиты электроприборов с высокими пусковыми токами.
Вопросы и Ответы — Volter
Что лучше купить стабилизатор на отдельные потребители или установить на весь дом?
Лучше устанавливать стабилизатор на весь дом.
В этом случае у вас будут защищены все потребители.
Какая скорость срабатывания релейного и симисторного стабилизатора?
Как симисторы, так и реле срабатывают при подаче сигнала с платы управления. Время замыкания тиристора очень высокое, обычно в пределах 20 миллисекунд. За этот период происходит фиксация входных колебаний и обработка данных. В случае с реле, время реакции составляет 100 миллисекунд, что в 5 раз медленнее переключение тиристора. Но все равно считается быстрым и безопасным.
Какие признаки неисправности стабилизатора?
1. Сильный гул или треск, громкие щелчки 2. Отсутствие напряжения на выходе при наличии входного напряжения 3. Срабатывание входного автомата сразу при включении (если нет перегрева, перегруза на выходе, перенапряжения на входе). 4. Хаотические показания индикатора.
При мерцании лампочек, какой стабилизатор лучше симисторный или инверторный?
С мерцанием лампочек лучше всего справляется инверторный стабилизатор бесступенчатого типа.
Вопрос такого характера. После установки стабилизатора напряжения перестала работать посудомоечная машина. Работает 5 минут и выключается. Не подскажете в чем может быть причина?
Иногда мы сталкиваемся с проблемами такого типа. Дело в том, что техника некоторых европейских производителей рассчитана на напряжение в сети 230 В. Эта информация обычно пишется в паспорте или в инструкции по эксплуатации. Наши стабилизаторы напряжения настроены на выходное напряжение – 220 В. Если техника рассчитана на 230 В, можете самостоятельно отрегулировать кнопками коррекции выходного напряжения.
Чем у вас принципиально отличается стабилизатор напряжения Volter 7ПТТМ от Volter 7ПТ?
Принципиальное отличие данных двух стабилизаторов напряжения заключается в том, что они разных типов, а именно: Volter 7ПТ – это электронный симисторный стабилизатор напряжения с 16 ступенями и шагом ступени примерно в 6 В, что позволяет добиться точности на выходе с отклонением не более +2-3 %; Volter 7ПТТМ – электронный бесступенчатый стабилизатор напряжения с отклонением на выходе не более ±0,5 %.
На каком расстоянии между собой можно монтировать стабилизаторы?
Минимальное допустимое расстояние между стабилизаторами 10 см
Если стабилизатор напряжения хранился или перевозился при температуре ниже 0°С , через какое время его можно подключать к сети?
Необходимо , чтобы он простоял при комнатной температуре не менее 5 часов.
Как ваши стабилизаторы реагируют на перепады температуры?
Рабочий диапазон -25℃ +40℃, при установке в помещении ниже 0℃, требуется обработка лаком.
Здравствуйте! Хочу приобрести стабилизатор , но рынок перенасыщен. Скажите , а правда-ли, что Ваши стабилизаторы считаются лучшими в стране?
О, да! Здесь двух мнений быть не может! TM Volter присутствует в этой индустрии с 1994 года, и все эти десятилетия , наши инженеры усовершенствовали продукт, внедряли инновации, дабы он максимально соответствовал современным требованиям и отвечал всем вызовам современности. И не только в контексте выполнения заявленных функциональных параметров, но и в эстетическом аспекте не отторгался Вами как потребителем.
Линейка бесступенчатых стабилизаторов, наиболее ярко подтверждает это. Вот из этого модельного ряда я и рекомендую выбирать себе устройство. Попрошу не забывать о том факте, гарантийные обязательства на нашу продукцию, являются бессрочными.
Стабилизируют ли Ваши стабилизаторы напряжение, которое выдает дизельный генератор?
В том случае, если генератор, установленный в цепи, имеет 3х-кратный запас по мощности и выходное напряжение имеет правильную форму синусоиды, то стабилизатор выдаст эталонное напряжение. В свою очередь, мы рекомендуем устанавливать стабилизатор в цепи перед генератором.
Подскажите пожалуйста модель СНПТО 7птсш (т) заявленная в тех. паспорте как бесшумная при нагрузке 6А издаёт гул. Согласно подпункта 1 п. 7.2.2 паспорта признаком неисправности СНПТО является сильный гул трансформатора. С чем это связано ? Считается ли это неисправностью и может ли это в дальнейшем повлиять на работу бытовой техники?
Расцепитель выполняет функцию защиты от перегрева и превышения напряжения на выходе стабилизатора.
Повышенный шум трансформатора может указывать на искаженную форму синусоиды и при прочих нормальных показателях не влияет на работоспособность прибора.
Кто является производителем стабилизаторов TM Volter?
ООО «Электромир–Киев». Украина.
Какие функции выполняет автоматический выключатель с расцепителем?
Защита от короткого замыкания и длительного перегруза по мощности
Если значение вводного автоматического выключателя у клиента оказалось меньше, чем у выбранной Вами модели стабилизатора, рассчитанной по формуле (желаемой максимальной нагрузки), что Вы предложите?
Автоматический выключатель и проводку привести в соответствие с желаемой нагрузкой, рекомендовать выбранную модель.
Как правильно подключать стабилизаторы Volter к трёхфазной сети?
Стабилизаторы устанавливаются на вводе сразу после счётчика. Трёхфазные стабилизаторы напряжения Volter построены на основе трёх однофазных функционально завершённых стабилизаторов, объединённых по схеме «звезда».
Какой срок выполнения гарантийного ремонта ИБП?
Обычно гарантийный ремонт ИБП занимает не более 14 календарных дней.
Что делать, если нет документов, подтверждающих гарантию?
Если нет возможности предоставить документы, подтверждающие гарантию (они утеряны или испорчены), то в таком случае срок гарантийной эксплуатации отсчитывается от даты производства, которая указана в серийном номере устройства (наклейка на корпусе стабилизатора).
Я планирую установить стабилизатор напряжения мощностью 11 кВт. в холодном гараже. Какой лучше ступенчатый или электронный?
Выбор типа стабилизатора и модели следует делать исходя из особенностей напряжения вашей электросети на объекте, а вот что обязательно в независимости от типа и модели стабилизатора, так это дополнительное вскрытие лаком.
Есть ли у Вас стабилизаторы, которые используются в неотапливаемых помещениях?
Есть, но эти модели будут немного дороже и изготавливаются под ЗАКАЗ, сроки на сборку от 2 до 10 рабочих дней.
Смогут ли бытовые приборы, содержащие электродвигатели (стиральной машины, сушилки, холодильники, духовки с вентиляторами), корректно работать при питании от стабилизатора? Есть ли целесообразность использования стабилизатора в квартире для данных типов бытовых приборов?
Стабилизатор предназначен для любого вида бытовой электротехники. Для квартиры можно будет подобрать отличный вариант из ряда моделей ТМ Volter. Из преимуществ: мгновенная реакция на изменения напряжения, тихая работа, точность напряжения на выходе, оригинальный дизайн.
Какие бывают типы байпаса?
Существует следующие типы байпаса: механический (ручной) – управляется пользователем при помощи тумблеров, кнопок, реле. Электронный (статический) – активизируется при перегрузке устройства или неполадках в его узлах при помощи электронных ключей (ламповых, транзисторных и пр.).
Подскажите пожалуйста, могу ли я оформить рассрочку на стабилизатор, если я проживаю в г. Бровары, Киевской области?
В Киевском представительстве компании Volter – ООО «Электромир-Киев» для жителей Киева и Киевской области оформляется рассрочка на стабилизаторы, с условиями заключения которой можно ознакомиться на сайте volter.
ua: https://volter.ua/calc-payment/
Живу в поселке. Не далеко от моего дома находится СТО, где во время проведения сварочных работ, происходит мерцание света. Какой стабилизатор посоветуете?
Модели стабилизаторов Volter EtalonS, Volter ПТТМ, Volter Parus, Volter Prostor, Volter Smart с рабочим диапазоном 130-330В или 110-380В и точностью выходного напряжения +/-1% или +/-0,5% от 220В, устраняют искажения сети, вызванные сварочными работами. Для правильного подбора мощности стабилизатора необходимо знать мощность сварочного аппарата.
Правда ли, если я нахожусь рядом с подстанцией у меня будет высокое напряжение?
Не факт. Такое может иметь место, когда при слабых линиях поднимают напряжение, т.е. когда к ТП подключают линию передач плохого качества. Чтобы поднять напряжение в конце линии, поднимают напряжение на ТП выше номинала (пример 240В) и таким образом объекты, находящиеся в близи ТП, получают завышенное напряжение. Решением этой проблемы является установка стабилизатора напряжения.
Сохраняется ли гарантия если монтаж производим сами или (электриком)?
Монтаж, можно производить своими силами на гарантию не влияет. Самое главное правильно подобрать модель стабилизатора.
Почему 2ПТ Slim дороже, чем 2C Slim?
Отличаются количеством ступеней, в 2С их 9, а в 2ПТ их 16, что обеспечивает более высокий уровень точности на выходе.
По каким критериям выбрать стабилизатор?
Стабилизатор подбирают по таким критериям: рабочий диапазон, точность, мощность, количество фаз.
Какие стабилизаторы напряжения производит TM VOLTER?
TM VOLTER, производит стабилизаторы переменного напряжения, однофазные и трёхфазные, симисторные, тиристорные, бесступенчатые и релейные.
У меня в розетке не 220В
Есть решение, это стабилизаторы с повышенной точность стабилизации от 220В +/-0,5%, а именно: Volter Smart, Volter Prostor, Volter ПТТМ, Volter Parus.
Какую информацию можно увидеть на ЖК дисплее ?
На ЖК дисплее отображается входное и выходное напряжение, а также нагрузка в амперах или в процентном соотношении, в зависимости от модели.
В каких случаях может отключаться стабилизатор?
Если вы обнаружили, что после стабилизатора нет выходного напряжения, скорее всего причина в срабатывании одной из защит.Возможные варианты:
– напряжение вышло за допустимые пределы, ниже или выше допустимых границ. После возврата входного напряжения к характеристикам рабочего диапазона аппарата, стабилизатор включается автоматически.
– сработала тепловая защита из-за повышения температуры в помещении выше 80C°. При понижении температуры ниже 75C°, стабилизатор автоматически включится.
– в случае перегруза стабилизатора напряжения, когда на стабилизатор приходит нагрузка больше номинальной на 5-30% в течение продолжительного периода времени.
– по причине короткого замыкания в цепи подключенных к стабилизатору электроприборов, стабилизатор отключается.
Можно ли подключить однофазный стабилизатор самостоятельно? Нужно ли обладать высокой квалификацией?
Да, можно. Необходимо лишь строго выполнять указания инструкций, правильно соблюдать подключение входных / выходных проводов (фаза, нейтраль, защитное заземление) и использовать провода требуемых сечений.
Обратите внимание, если агрегат крепится к стене, то требуются крепкие и надежные анкерные болты, дюбели.
Как узнать мощность на выходе у стабилизатора 9кВт, если нижний порог напряжения 150В ?
Нужно взять номинал вводного автомата стабилизатора (в данном случае это 40А) умножить на входное напряжение. Например 40А*150В = 6кВт. Таким образом мы узнали, что при входном напряжении 150В с 9кВт стабилизатора на выходе останется 6кВт.
Вы гарантируете на выходе всегда 220В. Но ведь сейчас по стандартам 230В, так какое напряжение правильное?
Действительно, по новым стандартам напряжение в однофазной сети должно быть 230 В, а в 3-хфазной не 380В, а 400В. На всех современных электроприборах в паспорте написано, какое значение напряжения должно быть для корректной работы прибора. Почти во всей линейке стабилизаторов TM Volter реализована регулировка выходного напряжения. Так что выставить выходное напряжение 230 В вы сможете самостоятельно.
По какой причине может отключаться стабилизатор?
Возможно несколько вариантов: 1.
стабилизатор неправильно подобран по диапазону входящего напряжения; 2. стабилизатор неправильно подобран по мощности; 3. стабилизатор напряжения неисправен. Обратитесь в сервисный центр.
Что такое “Байпас”?
Байпас – режим работы стабилизатора, при котором напряжение проходит сквозь него, то есть в обход основного режима работы – стабилизации. Байпас преимущественно устанавливается на стабилизаторы мощностью от 4 кВт. Этот режим может понадобиться в следующих случаях: 1. если стабилизатор какое-то время не будет нужен. Например, когда в сети нет нагрузки, которая требует стабильного напряжения. 2. если планируется временно использовать нагрузку, превышающую мощность стабилизатора. 3. если стабилизатор, по каким-то причинам не работает в режиме стабилизации.
У вас на сайте есть 2 вида аккумуляторов – это АКБ Volter GE 12V 100Ah по цене 6720 грн/шт. и АКБ Volter GE 12V-H 100Ah (усиленный) по цене 7980 грн/шт. В чём их различия?
АКБ Volter GE 12V 100Ah – это наш усиленный гелевый аккумулятор, это означает, что в нём конструктивно больше свинца (толщина и количество свинцовых пластин выше), что влечёт за собой повышение физико-химических показателей и надёжности в целом.
Обязательно ли в доме заземление и влияет ли его отсутствие на работу стабилизатора ?
Отсутствие заземления не влияет на работу стабилизатора.
Какие модели стабилизаторов можно устанавливать в неотапливаемое помещение?
Любой стабилизатор ТМ “VOLTER” после специальной обработки внутренних деталей, можно устанавливать в неотапливаемое помещение при перепадах t° от -25 до+ 40 °С. И относительной влажности до 99% (при t°=25±°C). При размещении стабилизатора на улице, необходимо предусмотреть навес, который будет защищать стабилизатор от прямого попадания дождя и солнечных лучей.
Имеют ли комплектующие ваших стабилизаторов необходимы сертификаты?
При производстве продукции TM Volter мы используем только сертифицированные комплектующие и оборудование, что позволяет добиться высокого качества и надёжности.
Не искажает ли стабилизатор форму входной синусоиды напряжения?
Конструкция стабилизаторов Volter™ не содержит элементов способных искажать форму синусоиды.
Какая мощность у ваших стабилизаторов?
Мощность наших стабилизаторов от 0,25 до 200 кВт.
Как ваша продукция переносит вибрации?
Конструктивно стабилизатор Volter™ выполнен в виде несущего шасси из стали толщиной 2мм с ребром жесткости. Трансформатор крепится к шасси непосредственно за магнитопровод в четырех точках шпильками диаметром 8-10мм. К шасси крепится корпус из легких декоративных панелей. Все соединения типа винт-гайка, никаких саморезов не применяется. Все это позволяет обеспечить высокую механическую стабильность и устойчивость к вибрациям.
Возможен ли перегрев стабилизатора?
Конструкция стабилизаторов Volter ™ содержит развитую, оптимизированную систему вентиляционных отверстий, которая позволяет создать достаточные потоки воздуха для охлаждения аппарата, при предельных рабочих температурах и в любом положении. Перегрев возможен только при длительном перегрузе и недостаточной проветриваемости.
На сколько шумно работает стабилизатор?
Применяемый в стабилизаторах Volter трансформатор стержневой или Ш-образной конструкции позволяет обеспечить минимальные показатели по шуму.
Какой срок службы у вашей продукции?
Срок службы не менее 15 лет.
Возможно ли самостоятельно подключить стабилизатор?
Конструкция стабилизаторов Volter™ предусматривает простейший набор операций при установке и подключении. Для этого в аппарате имеется легкодоступная клеммная колодка и петли для подвеса. Конструктивно стабилизатор выполнен в виде плоского корпуса занимающего минимальный размер в глубину.
Смогу ли я использовать стабилизатор зимой при отрицательной температуре?
После предварительной обработки многие модели (симисторные стабилизаторы) можно эксплуатировать в помещениях с повышенной влажностью и при отрицательных температурах, что подтверждено протоколами испытаний.
Может ли повлиять нестабильное напряжение на сам стабилизатор?
Нет. Наша продукция оснащена максимальным количеством защит от неблагоприятных воздействий сети и внутренних неисправностей, а также приспособлена к большим перегрузочным способностям.
Нужно ли периодически выключать стабилизатор (например, ночью)?
Нет. Стабилизатор рассчитан на длительный, непрерывный, круглосуточный режим работы.
Как правильно выбрать стабилизатор?
Стабилизаторы подбираются по трем основным параметрам – это его мощность (кВт), уровень входного (В) и точность выходного напряжения (%). Для правильного выбора модели стабилизатора необходимо определить сумму мощностей всех потребителей, нуждающихся одновременно в снабжении электроэнергией и умножить ее на коэффициент, учитывающий изменение напряжения в сети. Необходимо также учитывать, что электродвигатели, компрессоры, насосы в момент запуска нуждаются в мощности, в 3-4 раза превышающей номинальную, и желательно иметь запас по мощности, примерно двадцать процентов. Подбор модели должен делать квалифицированный специалист.
Требуется какое-либо обслуживание в процессе использования стабилизатора?
Стабилизаторы полностью автоматические приборы.
Они не требуют практически никакого специального обслуживания.
Для чего нужен стабилизатор напряжения?
Стабилизатор – электрический прибор, позволяющий поддерживать заданное (как правило, 220 вольт) напряжение на выходе при изменении входного напряжения в широких пределах (для большинства моделей – от 130 до 270 вольт), что позволяет уберечь оборудование от пагубного влияния «скачков» напряжения.
Изменится ли режим пользования электроприборами, если я поставлю стабилизатор?
После установки стабилизатора электроприборы будут работать на полную мощность, так как напряжение и ток будут соответствовать паспортным данным.
Могу ли я поставить один стабилизатор на целый дом?
Обычно так и делают. Стабилизатор устанавливается после счетчика в разрыв фазы, с помощью кронштейнов вешается на стену.
Как можно определить, какое у меня напряжение?
Самый надежный способ – вольтметром. Однако определить нестабильное (чаще – пониженное) напряжение можно и по косвенным признакам – меняется яркость свечения ламп накаливания, нестабильно работает оборудование с электродвигателями (холодильники, кондиционеры, система автоматики для бассейнов, котлов отопления, стиральная машина).
А разве напряжение в розетке не 220 вольт?
Большинство электросетей строилось в те времена, когда среднее потребление электричества было в разы меньше, чем сейчас. В результате, электросети не справляются с потреблением такого огромного количества энергии и напряжение в розетке « скачет» в достаточно широких пределах. Это очень негативно сказывается на работе электроприборов. Поэтому проблема стабилизации напряжения в настоящее время становится все более актуальной.
Действительно ли Volter обеспечивает пожизненную гарантию на свою продукцию? Это не розыгрыш?
Да, наша компания действительно предоставляет пожизненную гарантию на стабилизаторы напряжения. Volter работает на рынке более 27 лет. Мы достаточно часто сталкиваемся со стабилизаторами напряжения, которым более 20 лет и они идеально работают, поэтому несем полную ответственность за долговечность нашей продукции.
Есть ли в стабилизаторах на 2 кВт, режим транзит?
В данных моделях режим транзит отсутствует.
Устройство рассчитано на подключение непосредственно к оборудованию, соотвественно данная функция ему не нужна.
У меня установлены стабилизаторы Volter уже более 15 лет. Сейчас стали стучать и не совсем корректно работать. Подскажите, пожалуйста, их ещё можно отремонтировать или нужно покупать новый?
Есть, естественно, два варианта: первый: проверить и при необходимости модернизовать устройства, которые вы эксплуатируете, если за это время мощность ваших используемых устройств не увеличилась и в ваших планах нет ее увеличения. Второй вариант: приобрести новые: к примеру, если у вас были ступенчатые, а хотелось бы использовать бесступенчатые, или более высокой мощности, если данных стабилизаторов, которые у вас есть уже недостаточно. Звоните на любой из наших номеров, проконсультируем: (050) 230-4411 (068) 230-4411 (073) 230-4411 (067) 247-7678
Как выбрать стабилизатор напряжения. Вольтра
Стабильные характеристики электросети являются залогом долгой и верной службы электроприборов.
Наверняка все замечали, как освещение в комнате становится более тусклым или, наоборот, более ярким. Это признаки нестабильного напряжения в электросети. Наиболее опасны для техники резкие скачки напряжения: так, изменение этого параметра на 10% способно уменьшить срок службы электроприборов в 4 раза. Скачки напряжения случаются даже в мегалополисах, что уже говорить о более мелких городах, деревнях или дачных поселках. Ремонтные мастерские регулярно принимают технику, вышедшую из строя из-за скачков напряжения.
Почему же скачет напряжение? Изменение характеристик сети неизбежно – любое включение или выключение электроприбора уменьшает или повышает нагрузки на сеть. К примеру, при использовании сварки в гаражном кооперативе свет тускнеет в такт работе сварщика. На качество тока также влияет общая нагрузка в сет.К примеру, в жилых многоквартирных домах нагрузка на сеть заметно вырастает по вечерам, когда большинство людей находятся дома. Еще одна причина падения напряжения кроется в самих проводах: чем они длиннее, тем больше потерь происходит.
По этой причине довольно часто страдают дачные поселки и деревни.
Кто покупает стабилизаторы напряжения? В первую очередь, основными покупателями являются предприятия, производства, офисы и различные учреждения – скачок напряжения не только грозит солидными растратами на ремонт или покупку всего оборудования, но и влияет на работоспособность всего производства. Трудно работать в офисе, если компьютеры выключается едва ли не каждые 10 минут. Кроме того, на предприятиях с точными и сложными приборами стабильное напряжение является обязательным фактором для работы. Покупка стабилизатора напряжения для дома – вопрос и личное дело каждого, и если в квартире без него еще можно обойтись, то в частном доме или на даче жизнь без стабилизатора становится слегка напряженной.
В электротехнике существует несколько видов преобразователей напряжения. В данном случае речь идет о корректирующих стабилизаторах переменного тока. Они призваны регулировать напряжение, которое подается на технику – холодильники, стиральные машины, компьютеры и прочее. Главной задачей стабилизаторов является приведения характеристик тока к стандартным (и самое главное – стабильным) показателям. Это обеспечит сохранить подключенное оборудование или технику и продлит срок их службы.
Если Вы задумались о покупке стабилизатора напряжения для дома, стоит понять наверняка, существует ли необходимость в его приобретении. Для этого необходимо с помощью тестера несколько раз в будний и выходной дни произвести замеры. Критическими показателями являются 198В и 242В – выход за эти пределы способен испортить технику, покупать стабилизатор стоит для защиты всей сети. В среднем электроприборы способны выдерживать колебания напряжения в пределах 10%, но срок их эксплуатации при этом сокращается. Лампочки начинают перегорать при выходе из диапазона 205-235В. Если напряжение колеблется в пределах 210-230В, имеет смысл задуматься о покупке стабилизатора напряжения для одного самого дорогого прибора.
Стабилизатор подключается к сети таким образом, что ток подается на технику только после прохождения через него. Несмотря на одну функцию, различают три вида стабилизаторов – ферромагнитный, электромеханический, электронный (цифровой). Первоначально электромагнитные стабилизаторы были распространены больше всего, но сейчас наиболее популярны цифровое и электромеханические устройства — рассмотрим их подробнее.
Виды стабилизаторов напряжения
Электромеханические стабилизаторы
В основе такого устройства находится автотрансформатор с проводами, которые автоматически переключаются. Грубо говоря, это катушка с обмоткой из медной проволоки. Вторым главным элементом стабилизатора является электромагнитный механизм с ползунком. Если входное напряжение пониженное, этот ползунок перемещается вверх и повышает напряжение на выходе, и, соответственно, наоборот. В качестве ползунка используются графитовые щетки. Они способны установить необходимое выходное напряжение с погрешностью всего до 2%, регулировка напряжения – плавная. В некоторых стабилизаторах напряжения – например «Ресанта» — используются сразу две графитовые щетки, за счет этого возрастает скорость регулировки напряжения. Некоторые особо мощные стабилизаторы (30кВт и больше) оснащаются также дополнительным трансформатором.
В работе электромеханические стабилизаторы бесшумны, даже несмотря на наличие движущихся частей. Они не вносят в сеть никаких искажений и устойчивы к помехам в сети. Точность напряжения на выходе таких стабилизаторов достаточно высока, поэтому к ним можно смело подключать чувствительную аудиоаппаратуру, медицинские и измерительные приборы.
Из недостатков стоит отметить особенность эксплуатации, связанную с наличием движущихся щеток. Они подвержены естественному износу и требуют регулировки, ухода и замены. При изменении показателей электросети возможно небольшое отставание в их реакции. Мощные стабилизаторы отличаются внушительными габаритами и весам. Устройства достаточно требовательны к условиям эксплуатации: температура в помещении не должна быть ниже -5 градусов или выше +40 градусов. И естественно, использование их во влажных помещениях недопустимо.
Электронные (цифровые) стабилизаторы
Приборы этого типа производят регулировку напряжения ступенчато – из-за этого такие стабилизаторы также называются «дискретными». Как и в электромеханических стабилизаторах, в их основе находится автотрансформатор. Но графитовых щеток нет – вместо них используются реле или полупроводники (тиристоры и симисторы).
Работа цифровых стабилизаторов осуществляется по следующему принципу: каждый виток на трансформаторе добавляет от 4 до 22В (у однофазных). Реле или электронные ключи включают необходимую обмотку. Точность регулировка в зависимости модели колеблется от 2 до 10%. Этот показатель зависит от количества обмоток. Рассмотрим на примере бытового стабилизатора напряжения с точностью 8%, каждая обмотка которого прибавляет 17,6В. Если входное напряжение составляет 195В, происходит подключение двух обмоток – выходное значение составляет 230,2В. Регулировка происходит достаточно быстро, но при этом несколько страдает точность. Если точность стабилизатора составляет 2%, то при таких же показателях на выходе будет напряжение 221,4В. При этом будет задействовано шесть обмоток, соответственно, увеличится время регулировки. Большое количество элементов системы увеличивает ее цену, надежность, при этом, остается такой же.
Разница в точности моделей не столь критична, как может показаться. Бытовая техника способна нормально функционировать при изменении напряжения в пределах +/- 10%. Таким образом, холодильники, насосы и другие приборы с электродвигателем или нагревательным элементом будут работать нормально. Что касается компьютеров, домашних кинотеатров и другой точной бытовой электроники, то для них лучше купить стабилизатор с меньшей погрешностью. Электронные стабилизаторы напряжения оснащены цифровым управлением. Все управляющие элементы размещаются на одной микросхеме, что позволило значительно уменьшить вес и габариты прибора. Стабилизаторы оснащены электронным дисплеем, который, как правило, расположен на фронтальной части корпуса. На него выводятся значения входного и выходного напряжения.
Из преимуществ цифровых стабилизаторов стоит отметить отсутствие движущихся частей – отныне можно забыть о замене графитовых щеток. Качество стабилизатора и срок его службы напрямую зависят от качества тиристоров и симисторов. Кроме того, некоторые модели можно использовать в довольно суровых условиях – при температуре от -20 и ниже.
Недостатком электронным стабилизаторов напряжения является слабая перегрузочная сопротивляемость. Электронные ключи достаточно нежные, и большие нагрузки или короткое замыкание способны быстро вывести их из строя. При покупке цифрового стабилизатора желательно иметь как можно больший запас мощности.
Виды стабилизаторов напряжения по типу сети
Однофазные стабилизаторы напряжения используются в помещениях с однофазной электросетью – 220В. Мощность однофазных стабилизаторов составляет от 0,5 до 30кВт. Такой диапазон позволяет обеспечить защиту как всей техники в доме, так и отдельных устройств или приборов.
В помещениях с трехфазной сетью 380В необходимо использовать трехфазные стабилизаторы. Они представляют собой три однофазных стабилизатора, скомпонованных между собой. Мощность трехфазных стабилизаторов составляет от 3-30кВт и больше. Существуют модели стабилизаторов, мощность которых превышает 100кВт – это три трансформатора с одним сердечником.
И однофазные, и трехфазные стабилизаторы могут быть как электромеханического, так и электронного типа.
Технические характеристики стабилизаторов
При покупке стабилизатора для дома или дачи основная информация, на которую стоит ориентироваться, – технические характеристики прибора.
Однофазные и трехфазные стабилизаторы
Об этих типах стабилизаторов мы подробно рассказывали чуть выше, но все же рассмотрим основные случаи. В быту преимущественно используется однофазная сеть с напряжением 220В, в многоквартирных жилых домах с электроплитами есть трехфазная сеть. Кроме того, трехфазные сети можно встретить на дачах и в частных домах.
В сети 220В можно применять однофазные стабилизаторы напряжения. В сети 380В возможны комбинации из трех- и однофазных моделей.
Мощность
Все электроприборы при включении создают нагрузку на сеть – при подключении к стабилизатору эта нагрузка переходит на него. Нормальная работа стабилизатора будет обеспечена только в том случае, если мощность подключенных приборов не превышает его собственную. Если это условие будет нарушено, сработает защита и стабилизатор отключится. Чем больше витков обмотки и чем больше диаметр проволоки, тем выше будет мощность прибора. Эти параметры также напрямую влияют на вес и размеры прибора.
Мощность стабилизаторов напряжения в зависимости от модели может составлять от 0,5 до 100кВт. Приборы с минимальной мощностью покупают для защиты конкретной техники. Для защиты всех устройств необходим стабилизатор большой мощности – о том, как высчитать этот параметр, мы расскажем чуть ниже.
Входное напряжение
Основой стабилизатора является автотрансформатор, который состоит из первичной и вторичной обмотки. При его создании учитываются мощность и входное напряжение. По их значениям рассчитывается сечение проволоки, а также количество витков. Как правило, каждый производитель придерживается собственных «традиций». Так, у всех однофазных приборов «Ресанты» этот показатель составляет 140-260В, трехфазных – 240-430В. У других производителей этот диапазон может равняться 160-250В для однофазных и 280-430В для трехфазных. Выбор входного напряжения стабилизатора очень прост – оно не должно выходить за пределы напряжения электросети. Так, стабилизатор с входным напряжением 160В уже не сможет работать с сетью, напряжение которой составляет 150В.
Выходное напряжение
Выходное напряжение является прямым результатом работы стабилизатора. При его покупке стоит обращать внимание не только на значения в 220 или 380В, но и на погрешность, выраженную в процентах. Она отображает допустимые отклонения от нормы.
Как мы уже говорили, более точными являются электромеханические стабилизаторы. Значение погрешности любого из них не будет превышать 3%. Погрешность у электронных стабилизаторов может составлять от 2 до 10%. Чем дороже стабилизатор, тем он точнее – на стоимость напрямую влияет количество витков обмотки и электронных ключей. Для защиты всей сети лучше выбирать стабилизатор с минимальной погрешностью.
Частота питающей сети
Напряжение сети – важный, но не единственный ее параметр. Вторым важным показателем является частота питающей сети. Отклонения до 0,2Гц считаются достаточно серьезными, до 0,4Гц – критическими. Превышение этого отклонения способны нарушить работоспособность техники. К примеру, повышенной чувствительностью к колебаниям частоты отличаются асинхронные двигатели, которые используются в отопительных котлах (смотрите стабилизаторы для котлов) и насосах. Двигатели начинают работать с переменной частотой, что приводит к его поломке. Лучшим выходом станет покупка стабилизатора напряжения. Все модели, которые доступны к покупке в Беларуси, поддерживают частоту 50Гц.
Точность и скорость стабилизации
Как мы уже писали, точность стабилизаторов напряжения колеблется в пределах 2-10%. Этого вполне достаточно для большинства бытовой домашней техники. Для более нежной и чувствительной аппаратуры необходимо выбирать стабилизатор как можно с меньшей погрешностью. Скорость стабилизации отображает время реагирования стабилизатора на изменение характеристик тока. Чем меньше будет это время – тем лучше, однако, критичным этот параметр не является.
Габариты и вес
Вес стабилизаторов напряжения может колебаться от 3 до 700 кг, габариты – от размеров ящика до внушительного шкафа. При покупке стабилизатора для дома этот параметр играет немаловажную роль. Среди устройств с мощностью до 10кВт особую популярность у покупателей завоевали цифровые стабилизаторы с дисплеем — благодаря своей компактности, аккуратному внешнему виду, простоте отображения всех показателей на дисплее, а также некоторым другим показателям.
Системы стабилизаторов.
Как и любая сложная техника, у стабилизаторов напряжения есть не только чисто технические характеристики, но и дополнительные функции, которые упрощают работу с ними.
Защита по выходному напряжению – стабилизатор, как и любой другой прибор, имеет свой рабочий диапазон. Если напряжение в сети выходит за его пределы, стабилизатор отключает нагрузку. Как только происходит выравнивание необходимых характеристик ток, подача электроэнергии на приборы возобновляется.
Защита от перегрузки следит за мощностью подключенных к стабилизатору приборов. При превышении допустимой мощности, нагрузка на прибор будет отключена.
Защита от грозовых разрядов и коротких замыканий позволит сохранить стабилизатором работоспособным при возникновении перечисленных явлений.
Тепловая защита или термозащита отключит прибор при достижении критической температуры трансформатором. Это предупредит порчу прибора.
Байпас – функция провода тока напрямую, без участия стабилизатора. Может быть полезна в случае отключенной техники – это сэкономит электроэнергию.
Фильтрация сетевых помех помогает бороться с различными искажениями на входе.
Вольтметр и амперметр позволят следить на силой тока и его напряжением. Вольметр отражает входные и выходные показатели, амперметр замеряет ток на выходе.
Кроме того, работу некоторых моделей стабилизаторов можно отслеживать с помощью компьютера. Цифровые стабилизаторы также могут оснащаться пультом дистанционного управления.
Порядок выбора бытового стабилизатора напряжения
При решении о покупке стабилизатора напряжения в первую очередь следует определиться с количеством фаз. Следующим шагом станет замер напряжения, определение которого станет основным критерием выбора рабочего диапазона стабилизатора.
Следующим важным шагом является определенность мощности стабилизатора. Для этого необходимо сложить мощность всех устройств и техники. Приблизительное энергопотребление распространенной технике можно увидеть в таблице.
| Наименование техники | Потребляемая мощность, Вт |
| Промышленное и строительное оборудование | |
| кондиционер | 1000 – 3000 |
| компрессор | 750 – 2800 |
| дисковая пила, циркулярная пила | 750 – 1600, 1800 – 2100 |
| электромотор | 550 – 3000 |
| водяной насос, насос высокого давления | 500 – 900, 2000 – 2900 |
| дрель, перфоратор | 400 – 800, 900 – 1400 |
| электролобзик, электрорубанок | 250 – 700, 400 – 1000 |
| шлифмашинка | 650 – 2200 |
| Бытовые электроприборы | |
| телевизор | 100 – 400 |
| стиральная машина | 1800 – 3000 |
| фен, утюг | 500 – 2000 |
| тостер, кофеварка | 700 – 1500 |
| пылесос | 400 – 2000 |
| холодильник | 150 – 600 |
| духовка, микроволновка, электрочайник | 1000 – 2000 |
| компьютер | 400 – 750 |
| накопительный водонагреватель | 1200 – 1500 |
| проточный водонагреватель | 5000 – 6000 |
| обогреватель | 1000 – 2400 |
| электролампы | 20 – 250 |
Перечисленные характеристики являются примерными – ни в коем случайте не используйте их для конечных расчетов! Более точную информацию о своей технике необходимо искать в паспортах или инструкциях.
После того, как Вы точно узнали мощность всех электроприборов, можно приступать к подсчетам мощности бытового стабилизатора. К примеру, в квартире постоянно работают холодильник, осветительные приборы, компьютер и телевизор. Итого получается 1950Вт.
Также стоит учитывать мощность электроприборов, которые включается периодически – чайники, пылесосы, утюги, стиральные машины и др. Предположим, что к нашей основной технике периодически добавляются утюг, микроволновка и обогреватель – суммарная мощность этих приборов составит 6400Вт.
Таким образом, максимальное значение потребляемой мощности будет состоять из этих двух сумм и составит 8350Вт.
После этого необходимо определить коэффициент изменения напряжения в сети. Для этого необходимы данные, полученные при замере входного напряжения.
Коэффициент изменения представлен в таблице.
| Напряжение однофазной сети | 130 | 150 | 170 | 210 | 220 | 230 | 250 | 270 |
| Коэффициент отклонения | 1,69 | 1,47 | 1,29 | 1,05 | 1 | 1,05 | 1,29 | 1,47 |
Коэффициент отклонения трехфазной сети определяется точно также, для этого необходимо взять диапазон +/- 380 В
Предположим, что в нашем случае напряжение в сети составляет 150В – необходимый нам коэффициент равняется 0,47.
Максимальное значение потребляемой мощности умножаем на коэффициент и получаем значение 12274Вт. Значит, стабилизатор напряжения должен иметь мощность как минимум 12Вт.
Важно: электроприборы с моторами в момент включения значительно увеличивают нагрузку на сеть. Это относится к стиральным машинам, холодильникам и другим приборам. Поэтому, необходимо покупать стабилизатор с запасом мощности – 20% является необходимым минимум. Кроме того, запас мощности позволит в дальнейшем подключать дополнительные электроприборы.
При покупке стабилизатора для предприятия, расчеты можно производить аналогичным образом, но стоит помнить об одном условии: мощность устройства должна быть в 3 раза больше номинальной, если к нему планируется подключение оборудования с асинхронными двигателям, компрессоров, насосов и др.
Чтобы избежать этих расчетов, можно также воспользоваться специальными токоизмерительными клещами. Их щупы прикрепляются к проводу, а энергию продолжает поступать к потребителям. Достаточно включить все электроприборы и прибор покажет потребляемую мощность, а также силу тока и сопротивление. Такой способ более точный, чем расчет.
После определения мощности стоит определить точность стабилизации. Ее погрешность измеряется в процентах, чем они больше – тем менее точный прибор. Для большинства техники будет допустима погрешность до 10%, однако, некоторым устройствам нужен более точный параметр. Желательно узнать это значение для каждого электроприбора в доме – в паспорте, инструкции, в местах выхода силовых кабелей или на сайте производителя.
Правила работы со стабилизатором напряжения: установка и начало использования
Как правило, установку и обслуживание стабилизаторов на предприятиях доверяют специалистам. Мы же рассмотрим, как правильно работать со стабилизатором дома.
Если стабилизатор был приобретен в холодное время года, необходимо перед подключением дать простоять ему без работы в нормальных условиях. Производители рекомендуют, чтобы это время составляло не менее суток. С подключением большинства моделей способен справится человек с базовыми навыками, в противном случае некоторые работы все же придется доверить специалисту.
Место установки
Место установки прибора должно отвечать всем требованиям в паспорте стабилизатора. Для большинства бытовых однофазных стабилизаторов минимальная температура составляет +5С. Использование трехфазных стабилизаторов допускается при температуре не ниже -5С. Максимальная температура большинства моделей составляет 45 градусов, поэтому не стоит ставить прибор на места с длительным воздействием солнечных лучей.
Стабилизатор во время работы нагревается, поэтому для отвода тепла в корпусе предусмотрена естественная или принудительная вентиляция. Расстояние между корпусом с вентиляционными отверстиями и стенами должно составлять не менее 50 см.
В зависимости от крепления стабилизатора, различают напольные и настенные модели. Первые можно поставить на пол, на полку или на стол, если позволяет вес изделия. Под стабилизатором не должно быть ковра, так как последний нарушает теплообмен.
Кроме того, не стоит забывать, что, несмотря на все заверения производителей, стабилизаторы напряжения все же шумят – негромко, но тем не менее. Поэтому от установки стабилизатора в спальне лучше отказаться. Идеальным решением станет установка его в нежилые комнаты – прихожую, гардеробную или подсобку.
Правила подключения стабилизатора напряжения
Самым главным правилом при подключении стабилизатора является его заземление. Для его проводки необходимо протянуть медный провод от корпуса к шине заземления. Это мера предосторожности напрямую влияет на безопасность прибора – она защищает пользователя от удара электрическим током. Кроме того, за счет этого уменьшается электромагнитный фон, чрезмерный уровень которого также способен повлиять на здоровье человека. При отсутствии необходимых навыков монтаж заземления лучше производить с помощью квалифицированного специалиста.
Сначала рассмотрим вариант подключения стабилизатора напряжения для отдельной техники – например компьютера, домашнего кинотеатра или холодильника. Для этих целей покупают однофазные стабилизаторы напряжения с мощностью в пределах 3кВт. При подключении стабилизатор обязательно должен быть выключен. Для подключения большинства стабилизаторов с небольшой мощностью не нужно иметь специальные знания: стабилизатор включается в сеть, а уже к нему подключается техника.
Существуют модели стабилизаторов, у которых на корпусе расположены клеммы. Чтобы его подключить, необходимо приобрести и подключить к ним шнур питания с вилкой. К клеммам прикрепляются соответствующие провода шнура. После этого необходимо включить стабилизатор на несколько секунд, чтобы на вольтметре отобразилось значение 220В. После этого стабилизатор необходимо отключить. Таким образом, щетки или электронные ключи установятся на свои рабочие положения. Провод с розеткой подключаются на выходные клеммы. После этого возможно подключать бытовую технику.
Теперь рассмотрим вариант подключения стабилизатора напряжения для защиты всей техники в доме. Для этих целей используются однофазные или трехфазные стабилизаторы. В случае, когда от распределительного щитка подается напряжение 380В, можно установить трехфазный или три однофазных стабилизатора, соединенных между собой. Последний способ более надежен – если один стабилизатор выйдет из строя, остальные продолжат работать. Но этот способ также и более затратный.
Чтобы подключить стабилизатор для всего дома, необходимо соединить фазу и ноль с выхода счетчика к соответствующим клеммам стабилизатора. Перед подключением техники, необходимо привести стабилизатор в рабочее положение способом, о котором мы писали выше. После этого к нагрузке стабилизатора необходимо подключить нейтральный провод от счетчика. Фазу к нему подключают от выходных клемм стабилизатора.
Эксплуатация
После всех необходимых манипуляций с проводами, можно включать стабилизатор. После этого он будет работать в автоматическом режиме. Даже если свет пропадет во всем доме, то после возобновления его работы, стабилизатор включится сам.
Как правило, производители стабилизаторов напряжения стараются максимально защитить их от неблагоприятных воздействий. Однако не стоит ставить на прибор бутылки с жидкостью или, например, чашку с чаем. Кроме того, по правилам электробезопасности, следует исключить возможность контакта корпуса с металлическими предметами. Следует следить за тем, чтобы вентиляционные решетки не были чем-нибудь перекрыты – в противном случае, существует вероятность выхода стабилизатора из строя из-за перегрева.
Еще один важный момент в эксплуатации стабилизатора – помнить о пределах его мощности. Перед подключением новых приборов необходимо проверить, выдержит ли стабилизатор дополнительную нагрузку. Как правило, если стабилизатор изначально был куплен со значительным запасом мощности, таких проблем не возникает.
Стабилизатор практически не требует ухода – необходимо лишь изредка протирать его корпус от пыли и следить за чистотой вентиляционных отверстий. При этом нельзя использовать влажные тряпки и моющие средства. В случае поломки стабилизатора, не стоит пытаться чинить его самостоятельно – ремонт должен производиться в сервисном центре.
Дополнительные расходы на стабилизатор
Большинство стабилизаторов готовы к работе «из коробки», но в некоторых случаях к ним необходимо докупить некоторые вещи.
Провода
Если у стабилизатора для подключения есть только клеммы, в таком случае необходимо отдельно приобретать провода. Они различаются между собой по сечению, количеству жил и допустимому напряжению. Напряжение – самый простой параметр. Провод с допустимым напряжением 380В можно использовать как в трехфазной, так и в однофазной сети. Если провод рассчитан на напряжение 220В, использование его в трехфазной сети недопустимо.
Количество жил – также немаловажный параметр. Проще говоря, жила – это проводник. В зависимости от провода, в нем может быть как одна, так и несколько жил, которые скручивают и закрывают изоляционной оболочкой. Чем больше будет жил, тем надежнее будет провод. Важным фактором является материал, из которого они изготовлены. Для стабилизатора лучше всего приобретать провода с медными жилами – они прочнее алюминия, а токопроводящие свойства выше.
Самым главным параметром при покупке провода является сечение кабеля. Сечение кабеля необходимо рассчитывать отдельно. Для этого необходимо мощность стабилизатора в ВА (ВА=Вт/0,7) разделить на минимальное входное напряжение. Таким образом мы узнаем максимальную силу тока на входе. После этого полученное значение силы тока необходимо найти в таблице. В случае несовпадения силы тока с данными в таблице, выбор сечения необходимо производить в большую сторону. Так, если ток равняется 46А, то необходимое сечение провода составит 6 мм. кв.
| Ток, А | Сечение, мм2 |
| 11 | 0,5 |
| 15 | 0,75 |
| 17 | 1,0 |
| 23 | 1,5 |
| 26 | 2,0 |
| 30 | 2,5 |
| 41 | 4,0 |
| 50 | 6,0 |
| 80 | 10,0 |
| 100 | 16,0 |
| 140 | 25,0 |
| 170 | 35,0 |
Все провода, которые есть в продаже, обозначены соответствующей маркировкой. Так как нам необходим медный кабель, в маркировке не должно быть буквы А – это провод с алюминиевым жилами. Другие буквы означают вид изоляции, первая цифра – это сечение, вторая – количество жил.
Как мы уже говорили, для подключения стабилизатора необходимо заземление – сечение кабеля составляет 2,5 мм. кв. Длину проводу стоит определять исходя из места монтажа. Для подключения стабилизатора к розетке, необходим кабель с вилкой.
Монтаж проводов удобнее всего производить с помощью крепежных скоб. Их размеры зависят от диаметра кабеля. Для соединения несколько проводов лучше всего использовать пластиковые хомуты – они дешевые и надежные. Самым простым способом изоляции станет изолента.
Автоматический выключатель
Автоматический выключатель устанавливают между счетчиком и стабилизатором. Его основная задача – защита прибора от коротких замыканий и перегрузок. Его «амперы» должны превышать максимальную силу тока стабилизатора, которую мы рассчитывали выше.
Трехходовой перекидной рубильник
Это устройство позволит сделать байпасную линию, которая будет подавать электроэнергию в обход стабилизатора. К примеру, подобная линия может понадобиться для подключения сварочного аппарата.
Дополнительное оборудование
При подключении стабилизатора самостоятельно могут понадобиться мультиметр, измерительные клещи или индикаторная отвертка.
Мультиметр (проще говоря – тестер) измеряет напряжение, силу тока и сопротивление. Замеры производят с помощью щупов, результат выводится на дисплей или шкалу.
При помощи токовых клещей можно измерить ток, напряжение, сопротивление или частоту провода, проверить его изоляцию на целостность. Для этого достаточно поместить проводник между двумя щупами.
Индикаторная отвертка (отвертка-пробник) позволяет определить фазу и ноль. От обычной ее легко отличить по внешнему виду – прозрачная ручка с диодом внутри.
|
Simran AR1000 1000 Вт Стабилизатор напряжения 1000 Вт Понижающий преобразователь Трансформатор 110 220 В
1000 Вт 110 В <-> 220 В 50 Гц/60 Гц — Трансформатор с регулятором
Повышающий/понижающий преобразователь напряжения серии Simran AR с регулятором (стабилизатором) обеспечивает стабильный источник питания для всех основных бытовых приборов и чувствительной электроники.Каждая модель одобрена и сертифицирована CE.
В дополнение к преобразованию 220/230/240 вольт в 110/120 вольт и наоборот, эти трансформаторы регулятора напряжения стабилизируют либо 120 вольт, либо 220 вольт. Это означает, что они будут обеспечивать стабилизированное напряжение 120 вольт при входном напряжении 120 вольт, а также обеспечивать постоянное стабилизированное напряжение 220 вольт при входном напряжении 220/230/240 вольт. Входные параметры для стабилизации (регулирования) мощности 80 вольт – 140 вольт и 120 вольт – 240 вольт.Выход стабилизируется до 110 вольт или 220 вольт +/- 4%.
- Размеры: Д — 9″ x Ш — 6″ x В — 5″ прибл.
- Вес: прибл. 19 фунтов
- Торговая марка Simran
- Модель AR1000
- Стабилизатор трансформатора AR1000 x 1
- Запасные предохранители на 10 А x 2
- Переходник с евро на американский X 1
1000 Вт 110 В <-> 220 В 50 Гц/60 Гц — Трансформатор с регулятором
Повышающий/понижающий преобразователь напряжения серии Simran AR с регулятором (стабилизатором) обеспечивает стабильный источник питания для всех основных бытовых приборов и чувствительной электроники.Каждая модель одобрена и сертифицирована CE.
В дополнение к преобразованию 220/230/240 вольт в 110/120 вольт и наоборот, эти трансформаторы регулятора напряжения стабилизируют либо 120 вольт, либо 220 вольт. Это означает, что они будут обеспечивать стабилизированное напряжение 120 вольт при входном напряжении 120 вольт, а также обеспечивать постоянное стабилизированное напряжение 220 вольт при входном напряжении 220/230/240 вольт. Входные параметры для стабилизации (регулирования) мощности 80 вольт – 140 вольт и 120 вольт – 240 вольт.Выход стабилизируется до 110 вольт или 220 вольт +/- 4%.
- Размеры: Д — 9″ x Ш — 6″ x В — 5″ прибл.
- Вес: прибл. 19 фунтов
- Торговая марка Simran
- Модель AR1000
- Стабилизатор трансформатора AR1000 x 1
- Запасные предохранители на 10 А x 2
- Переходник с евро на американский X 1
Преобразователь напряжения и стабилизатор Norstar DAVR-5000 Вт 110 В/120 220 В/240 В Трансформатор
Новый Norstar лучший преобразователь напряжения 5000 Вт стабилизатор стабилизатор 5000 Вт трансформатор davr-5000 pro.Этот сертифицированный CE однофазный стабилизатор/трансформатор мощностью 5000 Вт может преобразовывать 110/120 В в 220/240 В или 220/240 В в 110/120 В. Совместим с 50 Гц. Он может регулировать входное напряжение от 75–130 В переменного тока или 180–260 В до выходного напряжения: 110 В переменного тока +-5 процентов или 220 В переменного тока +-5 процентов. Цифровой дисплей на передней панели показывает точное входное и выходное напряжение. Входная/выходная частота: 50 Гц. Защита от сверхвысокого напряжения. Этот стабилизатор может регулировать колеблющееся напряжение в общее выходное напряжение. Стабилизатор напряжения хорош для стран с нестабильным электроснабжением.Защита выхода с задержкой. Переменное управление диапазоном. Многоразъемный выход. Автоматическая регулировка напряжения в широком диапазоне. Две универсальные розетки на 220 В подходят для вилок большинства стран. Две розетки 110 В для 2-х или 3-х контактных вилок США. Переключатель включения/выключения. Индикаторная лампа. Изолированный шнур питания с европейской вилкой. Корпус повышенной прочности. Встроенный автоматический выключатель. Защита от короткого замыкания и перегрузки. Безопасный и простой в использовании. Особенности: Сверхмощный 2 в 1 ступенчатый преобразователь переменного напряжения вверх-вниз и стабилизатор/регулятор для непрерывного использования.Максимальная мощность до 5000 Вт. Преобразует 220/240 вольт в регулируемое 110 вольт. Преобразует 110 вольт в регулируемое 220/240 вольт. Регулирует поток энергии для защиты приборов от повреждений, вызванных скачками напряжения, перепадами и пиками напряжения. Хорошо работает с аудио- и видеоаппаратурой, компьютерами, медицинскими приборами, холодильниками, морозильниками и многими другими приборами. Двойные цифровые измерители показывают входное и выходное напряжение. Выключатель питания. Переключаемый селектор входного напряжения. Может использоваться непрерывно. Функция безопасного отключения позволяет устройству автоматически отключаться в случае колебания мощности и снова включаться в безопасном диапазоне мощности.Для использования с бытовой электроникой, компьютерами, холодильниками и другим высокотехнологичным оборудованием. Всего 4 выхода. 2 — 110/120 американских розеток. 2 — Зарубежные универсальные розетки 220/240. Встроенный евро/азиатский шнур питания с 2-контактной вилкой с заземлением Schuko. Поставляется с переходником на 2 вилки для американской розетки. Ручка для переноски. Размеры: Д — 15,4″ x Ш — 15,4″ x В — 10″ прибл. Вес: прибл. 40 фунтов
Это регулятор/стабилизатор напряжения со встроенным повышающим/понижающим трансформатором напряжения. /240В или преобразует 220/240В в 110/120В (переключатель находится сзади устройства).Максимальная мощность составляет 5000 Вт, включая скачок напряжения. Совместим с 50 Гц. Этот стабилизатор может регулировать колебательное напряжение большого диапазона в общее выходное напряжение. Входное напряжение переменного тока 75–130 В или 180–260 В переменного тока. Выходное напряжение: 110 В переменного тока +-5 процентов или 220 В переменного тока +-5 процентов. Выключатель с индикаторной лампой. Двойной цифровой дисплей на передней панели устройства показывает точное входное и выходное напряжение. Стабилизатор напряжения хорош для стран с нестабильным электроснабжением. 4 розетки на передней панели. Две универсальные розетки на 220 В принимают вилки из любой страны, кроме большой S.Африканская вилка. К двум розеткам на 110 В можно подключить вилки стандарта США с 3 или 2 контактами. Изолированный шнур питания жестко соединен с европейской вилкой Shucko, которая также подходит для азиатских розеток. Прочный корпус и прочная конструкция. Поставляется с круглыми и плоскими вилками для использования в США, Канаде и Мексике. Сертифицировано СЕ. Примечание. Руководство по покупке трансформатора. Не забудьте оставить как минимум 100-процентный провис для трансформатора преобразователя напряжения. Телевизоры, нагревательные приборы, лазерные принтеры и электроинструменты шипят, когда вы их включаете. Для этих продуктов вам необходимо купить трансформатор преобразователя напряжения, который как минимум в 3-4 раза превышает мощность изделия.СДЕЛАНО ДЛЯ США 110/120 В ЗА РУБЕЖОМ 220/240 В. НЕ БУДЕТ РАБОТАТЬ С США 220 НАПРЯЖЕНИЕ
- Размеры: Д — 15,4″ x Ш — 15,4″ x В — 10″ прибл.
- Вес: прибл. 40 фунтов
- Модель: DAVR-5000
- Марка: Norstar
Регуляторы и стабилизаторы напряжения и принципы их работы
Электродвигатели, катушки, стабилизаторы или регуляторы напряжения
A Регулятор напряжения или стабилизатор (то же самое) может быть очень полезен для предотвращения повреждения дорогого или хрупкого электрического или электронного оборудования .Они могут скорректировать напряжение вашей электросети, если по какой-то причине оно повышается или падает от стандартного . Хорошие регуляторы отключат подачу электроэнергии , если напряжение поднимется или упадет, чтобы его скорректировал регулятор. Регулятор напряжения представляет собой тип трансформатора , который может регулировать сам себя. Здесь мы рассмотрим разработку трансформаторов и то, как они используются для регулирования или стабилизации напряжения в ваших электрических цепях .
Колебания напряжения могут повредить электронное оборудование
Спрос на электроэнергию на Бали больше, чем может обеспечить злотый (национальный поставщик электроэнергии), и в результате у большинства из нас есть постоянные проблемы. Распространенная проблема (хотя многие из нас не ходят с измерительным прибором для проверки, поэтому мы не знаем) заключается в том, что напряжение нашего источника питания колеблется. Оно должно быть 220 вольт, но когда слишком много людей подключено и потребляет энергию, напряжение часто падает до 180 вольт (это низко), и иногда у меня есть клиенты, у которых падение напряжения достигает 130 вольт (это очень низко).
Некоторые районы известны тем, что они хуже, чем другие, в частности, Убуд, Джимбаран, Карангасам известны низкими перепадами напряжения.
Для работы всего, что имеет электрический двигатель, например холодильника, водяного насоса или кондиционера, требуется определенное количество энергии. Если напряжение падает, то поток электричества (ток — ампер) должен увеличиться, чтобы компенсировать это. Более высокие токи имеют неприятный способ повредить вещи, такие как повреждение чувствительного оборудования или электронных схем управления, провода могут начать нагреваться.Это ток, который может дать вам постоянную негативную ситуацию для выживания, а также ток, который отключает ваши автоматические выключатели.
Низкое напряжение или перепады напряжения могут вызвать серьезные проблемы
Низкое напряжение может повредить электронику и электродвигатели, особенно кондиционеры с двумя электродвигателями и еще более сложным электронным управлением.
Для работы электродвигателей требуется определенное количество энергии, поэтому, если напряжение падает, электрический ток должен увеличиваться, чтобы обеспечить достаточную мощность.Более высокие токи производят больше тепла, и это повреждает оборудование, такое как насосы. Это также может привести к перегреву и перегоранию двигателей компрессора кондиционера.
Чтобы защитить ваши ценные кондиционеры, особенно кондиционеры с инвертором, внутри которых много электронных волшебств, рекомендуется установить регулятор напряжения.
Что такое регулятор или стабилизатор напряжения
Перепады напряжения, которые возникают у нашего поставщика электроэнергии, могут вызвать всевозможные проблемы, так что же нам делать?
Для стабилизации напряжения можно установить регулятор напряжения, стабилизатор или ставольт.
Регулятор напряжения — это устройство, которое увеличивает или уменьшает напряжение, чтобы вернуть его к стабильным 220 вольтам, которые нам нужны.
Так как же нам это сделать?
Нам нужно сделать трансформатор, который постоянно настраивается. Он смотрит на входное напряжение и с помощью регулируемого трансформатора превращает его в правильные 220 вольт на выходе.
Регулятор напряжения имеет большой круглый трансформатор с двумя катушками, входная катушка, которая получает энергию от нашей национальной сети, и выходная катушка, которая подает энергию в наш дом.Контактор вращается от центра трансформатора и скользит вдоль катушки, так что он может удлинять или укорачивать катушку и, таким образом, регулировать напряжение.
Выбор регулятора напряжения
Регуляторы напряжения, которые мы используем в домашнем или коммерческом электроснабжении, являются тяжелыми устройствами. Вам понадобится по одному на каждую фазу питания, если у вас однофазное питание, вам нужен только один, если у вас трехфазное питание, вам понадобятся 3 однофазных регулятора или один большой трехфазный регулятор. В Индонезии рассчитывают заплатить около 6 миллионов рупий за фазу без учета установки и любых дополнительных кабелей.
Стандартные регуляторы напряжения хорошего качества начинаются с мощности 2 киловатта и идут дальше. Они имеют несколько функций, таких как измеритель, показывающий входное и выходное напряжение, амперметр, показывающий величину тока, световые индикаторы пониженного и повышенного напряжения, возможность безопасного отключения и переключатель байпаса.
Эти устройства могут увеличивать или уменьшать напряжение в разумных пределах. Стандартные устройства с ручкой могут регулировать напряжение от 140 вольт до 238 вольт и преобразовывать его обратно в 220 вольт.У них есть защитные выключатели, поэтому, если входное напряжение падает ниже 140 вольт или выше 240 вольт, они отключаются для защиты вашего оборудования.
В некоторых районах перепады напряжения могут быть особенно серьезными (Убуд, Джимбаран, Карангасам), и для них потребуется более мощный регулятор, способный выдерживать напряжение от 110 до 238 вольт. Они, как правило, немного дороже (хотя и ненамного) по сравнению со стандартным блоком.
Вы можете получить стабилизаторы напряжения меньшего размера 0,5, 1 и 1,5 киловатта, но им не хватает всего набора функций, и, хотя они хороши для одного элемента оборудования, такого как компьютер, они не являются серьезным вариантом для предметов с интенсивным использованием, таких как насосы и кондиционеры.
Преимущества регуляторов напряжения
Преимущество заключается в том, что они обеспечивают постоянное стабильное напряжение 220 вольт, защищая ваше ценное электрооборудование (и уменьшая количество перегоревших лампочек). Они удаляют те вариации, о которых мы все знаем, когда свет начинает тускнеть или телевизор начинает мигать.
Они обеспечивают защиту от скачков напряжения, поглощая внезапные скачки мощности, которые могут нанести ущерб.
Они также отключают питание, если падение или всплеск напряжения слишком велики для регулятора.
Недостатки регуляторов напряжения
Недостатки заключаются в том, что они используют определенное количество энергии для работы, поэтому они немного увеличивают счета за электроэнергию, и, если вы живете близко к пределу мощности, вы можете обнаружить увеличение частоты вашего автоматического выключателя PLN (большой синий переключатель!) отключается.
Другим недостатком является то, что для повышения низкого напряжения им необходимо потреблять больше тока от источника питания, и это также может увеличить вероятность отключения основного автоматического выключателя в зависимости от того, сколько энергии вы используете и сколько у вас есть источника питания.
Что купить?
Существует множество различных марок стабилизаторов напряжения, которые иногда могут сбивать с толку. Все дело в качестве изготовления. Все предлагаемые мной бренды — японские: Kiumatsu, Yuritzu и Matsuyama. Matsuyama собираются в Индонезии из компонентов хорошего качества и имеют хорошее резервное техническое обслуживание. Обычно я избегаю дешевых регуляторов напряжения низкого качества, некоторые из которых могут работать только 6 месяцев. Обратите внимание, что страны используют названия, звучащие по-японски, поэтому необходимо соблюдать осторожность.
Наконец-то вы найдете небольшие регуляторы напряжения для использования с компьютерами. Обычно с небольшими стальными корпусами, окрашенными в красный или оранжевый цвет, они не относятся к той же категории, что и серьезные устройства, упомянутые выше, и не обеспечивают такой же саморегулирующийся контроль напряжения. Они делают очень хорошие дверные упоры, и вместо того, чтобы покупать один из них, я бы посоветовал вам инвестировать в ИБП (источник бесперебойного питания) для компьютеров.
Связь между электричеством и магнетизмом
Чтобы понять больше, давайте начнем с рассмотрения взаимосвязи между электричеством и магнетизмом и того, как это привело к изобретению электродвигателей и трансформаторов, которые являются основой того, как мы можем регулировать или стабилизировать напряжение в нашем электроснабжении.
В 1820 году Ганс Христиан Орстед впервые обнаружил тесную связь между электричеством и магнетизмом.
Он обнаружил, что если вы подсоедините провод к батарее и электричество будет течь по проводу, это создаст магнетизм, который течет по проводу. Магнитное поле движется либо по часовой стрелке, либо против часовой стрелки, в зависимости от того, в каком направлении течет электричество.
Электрические медные катушки
Если мы возьмем длинный кусок оголенного медного провода и много раз намотаем его на картонную трубку, мы можем сделать медную катушку.Если мы теперь подключим нашу катушку к батарее, мы обнаружим, что у нас есть магнитное поле, проходящее через трубку. Теперь, если мы поместим кусок железа внутрь трубки и включим электрический ток, железо будет вытеснено из трубки.
Именно наблюдения Ганса Христиана Орстеда помогли нам понять основное явление, связывающее электричество, магнетизм и движущиеся куски железа, которое, конечно же, является основой большинства электрических применений, которые мы используем в нашей повседневной жизни.
Основание для электродвигателя
Вращая катушку медной проволоки в магнитном поле, мы вырабатываем электричество на электростанциях, автомобильных генераторах, генераторах, ветряных мельницах и т. д.Используя электричество, протекающее через медную катушку, мы создаем магнитное поле и перемещаем железо, которое заставляет электродвигатель вращаться, приводя в действие водяной насос, кондиционер, пылесос. Точно так же мы можем заставить громкоговоритель двигаться вперед и назад, чтобы играть увертюру Бетховена «1812 год».
Наша жизнь окружена десятками медных катушек, по которым течет электричество для создания магнитных полей и облегчения нашей жизни.
Существует еще одно очень распространенное применение медных катушек и магнитных полей.
Поставщики электроэнергии обеспечивают нас стандартными источниками электроэнергии, и они должны быть очень стабильными, иначе они могут повредить хрупкое электронное оборудование. источник питания должен иметь фиксированное напряжение 110 вольт в Америке, 240 вольт в Великобритании и 220 вольт в Индонезии.
Трансформаторы
Многим бытовым приборам в нашей жизни не нужны 220 вольт, электронному оборудованию требуется всего несколько вольт. Используем трансформатор для снижения напряжения.
Выше мы говорили о катушке из медной проволоки для создания магнитного поля.Теперь, если мы сделаем вторую катушку из проволоки и поместим ее в то же магнитное поле (мы можем намотать ее поверх первой катушки), мы обнаружим, что, когда мы поместим электричество в первую катушку, это создаст магнитное поле. что, в свою очередь, «индуцирует» электричество во второй катушке.
Теперь самое интересное: если вторая катушка точно такая же, как и первая, мы получим то же напряжение на выходе, что и на входе, но если мы изменим вторую катушку (мы можем сделать провод толще или длиннее). или короче) мы получим другое напряжение на выходе.Если вторая катушка будет вдвое короче первой, то при подаче 220 вольт мы получим только 110 вольт.
Именно так работает трансформатор, и мы находим трансформаторы в телевизорах, люминесцентных лампах, холодильниках, компьютерах, фактически в большинстве используемых нами электроприборов. Блок питания, который мы используем для портативного компьютера или зарядное устройство для мобильного телефона, в основном представляет собой трансформатор в пластиковой коробке.
Электронный регулятор напряжения 220 своими руками. Типы и схемы стабилизаторов напряжения
Изучив источники и ряд сайтов в Интернете, я упростил стабилизатор переменного напряжения, описанный в статье.Количество микросхем было уменьшено до четырех, количество оптосимисторных ключей — до шести. Принцип работы стабилизатора такой же, как у прототипа.
Основные технические характеристики стабилизатора напряжения:
- Входное напряжение, В…. 135… 270
- Выходное напряжение, В…..197…242
- Максимальная мощность нагрузки, кВт ……………… 5
- Время включения или отключения нагрузки, мс …….10
Схема предлагаемого стабилизатора представлена на рисунке.Устройство состоит из силового модуля и блока управления. Силовой модуль содержит мощный автотрансформатор Т2 и шесть ключей переменного тока, обведенных на схеме штрихпунктирной линией.
Остальные детали образуют блок управления. Он содержит семь пороговых устройств: I — DA2.1 R5 R11 R17, II — DA2.2 R6 R12 R18, III — DA2.3 R7 R13 R19, IV — DA2.4 R8 R14 R20, V — DA3.1 R9 R15 R21. , VI — DA3.2 R10 R16 R22, VII — DA3.3 R23. На одном из выходов декодера DD2 присутствует высокое напряжение, из-за чего загорается соответствующий светодиод (один из HL1 — HL8).
Мощный автотрансформатор Т2 включен иначе, чем в прототипе. Сетевое напряжение подается на один из отводов обмотки или на всю обмотку через один из симисторов VS1-VS6, к этому же отводу подключается нагрузка. При таком включении на обмотку автотрансформатора расходуется меньше провода.
Напряжение обмотки II трансформатора Т1 выпрямляется диодами VD1, VD2 и сглаживается конденсатором С1. Выпрямленное напряжение пропорционально входному напряжению.Он используется как для питания блока управления, так и для измерения входного сетевого напряжения. Для этого он подается на делитель R1—R3. С движка подстроечного резистора R2 подается на неинвертирующие входы операционных усилителей DA2.1—DA2.4, DA3.1—DA3.3. Эти операционные усилители используются в качестве компараторов напряжения. Резисторы R17-R23 создают гистерезис переключения компараторов.
В таблице ниже приведены пределы изменения выходного напряжения Uвых и уровней логических напряжений на выходах операционных усилителей и входах дешифратора DD2, а также включенных светодиодов в зависимости от входного напряжения Uвх без учета гистерезис.
Микросхема DA1 формирует стабильное напряжение 12 В для питания остальных микросхем. Стабилитрон VD3 выдает образцовое напряжение 9 В. Оно поступает на инвертирующий вход ОУ DA3.3. Он подается на инвертирующие входы других ОУ через делители на резисторах R5—R16.
При напряжении сети ниже 135 В напряжение на ползунке резистора R2, а значит, на неинвертирующих входах ОУ меньше, чем на инвертирующих.Следовательно, выходы всех операционных усилителей низкие. Все выходы микросхемы DD1 также имеют низкий уровень. При этом на выходе О (вывод 3) дешифратора DD2 появляется высокий уровень. Светодиод HL1 горит, указывая на слишком низкое напряжение сети. Все оптосимисторы и симисторы закрыты. На нагрузку не подается напряжение.
При напряжении сети от 135 до 155 В напряжение на ползунке резистора R2 больше, чем на инвертирующем входе DA2.1, поэтому его выход высокий. Выход элемента DD1.1 тоже высокий уровень. При этом на выходе 1 (вывод 14) дешифратора DD2 появляется высокий уровень (см. таблицу). Светодиод HL1 гаснет. Включается светодиод HL2, через излучающий диод оптопары U6 протекает ток, в результате чего оптосимистор этой оптопары открывается. Через открытый симистор VS6 сетевое напряжение поступает на нижний отвод по схеме (вывод 6) относительно начала обмотки (вывод 7) автотрансформатора Т2. Напряжение на нагрузке равно 64 В… на 71 В выше напряжения сети.
При дальнейшем повышении напряжения сети он переключится на следующий по цепи вывод автотрансформатора Т2. В частности, сетевое напряжение от 205 до 235 В подается непосредственно в нагрузку через открытый симистор VS2, а также на выводы 1-7 автотрансформатора Т2.
При напряжении сети от 235 до 270 В на выходах всех ОУ, кроме DA3.3, высокий уровень, ток протекает через светодиод HL7 и излучающий диод U1.2. Сетевое напряжение через открытый симистор VS1 подключается ко всей обмотке автотрансформатора Т2. Напряжение нагрузки меньше напряжения сети на 24…28 В.
При напряжении сети более 270 В на выходах всех ОУ высокий уровень, и через светодиод HL8 протекает ток, сигнализирующий о неисправности. чрезмерно высокое напряжение в сети. Все оптосимисторы и симисторы закрыты. На нагрузку не подается напряжение.
Трансформатор малой мощности Т1 аналогичен использованному в прототипе, за исключением того, что его вторичная обмотка содержит 1400 витков с отводом от середины.Мощный автотрансформатор Т2 — готов из промышленного стабилизатора VOTO 5000W. Отмотав вторичную обмотку и часть первичной, сделал новые отводы, считая от начала обмотки (вывод 7): вывод 6 от 215-го витка (150 В), вывод 5 от 236-го витка (165 В), контакт 4 с 257-го витка (180 В), контакт 3 с 286-го витка (200 В), контакт 2 с 314-го витка (220 В). Вся обмотка (выводы 1-7) имеет 350 витков (245 В).
Резисторы постоянные — С2-23 и ОМЛТ, подстроечный R2 — С5-2ВБ.Конденсаторы С1-СЗ-К50-35, К50-20. Диоды (VD1, VD2) можно заменить на — , КД243Б — КД243Ж.
Микросхема может быть заменена отечественными аналогами КР1157ЕН12А, КР1157ЕН12Б.
Установка осуществляется с помощью ЛАТР. Сначала устанавливаются пороги переключения. Для достижения большей точности установки резисторы R17—R23, создающие гистерезис, не устанавливают. Мощный автотрансформатор Т2 не подключен. Устройство подключено к сети через ЛАТР.На выходе ЛАТР устанавливается напряжение 270 В. Ползунок подстроечного резистора R2 перемещают снизу вверх по схеме до включения светодиода HL8. Далее на выходе ЛАТР устанавливается напряжение 135 В. Резистор R5 подобран так, чтобы напряжение на инвертирующем входе (вывод 2) ОУ DA2.1 было равно напряжению на его неинвертирующем входе (вывод 3). Затем последовательно подбирают резисторы R6…R10, устанавливая пороги переключения 155 В, 170 В, 185 В, 205 В, 235 В, сравнивая логические уровни с таблицей.После этого установите резисторы R17 — R23. При необходимости подбирают их сопротивления, задавая необходимую ширину петли гистерезиса. Чем больше сопротивление, тем меньше ширина петли. Установив пороги переключения, подключают мощный автотрансформатор Т2, а к нему нагрузку, например лампу накаливания мощностью 100…200 Вт. Проверяют пороги переключения и измеряют напряжение на нагрузке. После регулировки светодиоды HL2-HL7 можно убрать, заменив их перемычками.
ЛИТЕРАТУРА:
1. Годин А. Стабилизатор переменного напряжения. — Радио, 2005, № 8.
2. Озолин М. Усовершенствованный блок управления стабилизатором переменного напряжения. — Радио, 2006, № 7.
В статье рассматривается возможность непрерывной коммутации цепей переменного тока с помощью электромеханических реле. Показана возможность уменьшения эрозии контактов реле и, как следствие, повышения долговечности и снижения шума от работы. на примере сетевого стабилизатора напряжения для квартиры.
Идея
В интернете на сайте ООО «Прибор» г.Челябинск встретил объявление:Селеновые стабилизаторы напряжения производства нашего предприятия основаны на принципе ступенчатого регулирования напряжения непрерывным переключением обмоток автотрансформатора (патент на изобретение № 2356082). В качестве ключей используются мощные быстродействующие реле.
Показаны коммутационные картинки (слева «Селен», справа — с обычными характеристиками)
Меня заинтересовала эта информация, вспомнил, что в кинотеатре «Украина» тоже было постоянное переключение напряжения — там в момент переключения между соседними контактами выключателя был подключен проволочный резистор.Я начал искать в Интернете что-нибудь полезное по этому поводу. С изобретением №2356082 ознакомиться не удалось.
Удалось найти статью «Типы стабилизаторов напряжения», в которой описывалась возможность подключения диода к контактам реле в момент переключения. Идея состоит в том, чтобы переключать переменное напряжение во время положительного полупериода. В этом случае можно подключить диод параллельно контактам реле на время коммутации.
Что дает этот метод? Коммутация 220В меняется на коммутацию только 20В, а так как нет разрыва тока нагрузки, то и дуги практически нет.Кроме того, при низких напряжениях дуга практически не возникает. Нет дуги — контакты не подгорают и не изнашиваются, надежность увеличивается в 10 и более раз. Долговечность контактов будет определяться только механическим износом, а он составляет 10 миллионов операций.
На основе этой статьи были взяты самые распространенные реле и измерены время срабатывания, время размыкания и время включения. Во время замеров увидел на осциллографе дребезг контактов, что вызвало сильное искрение и эрозию контактов, что резко сокращает срок службы реле.
Для реализации и проверки этой идеи было собрано реле переменного тока на 2 кВт для питания квартиры. Вспомогательные реле подключают только диод, в то время как основное реле переключается во время положительного полупериода. Выяснилось, что реле имеют значительные задержки и дребезги, но, тем не менее, операция переключения была смешанной в один полупериод.
Принципиальная схема
Состоит из автотрансформатора, переключаемого как на входе, так и на выходе с помощью реле.
В схеме используется прямое измерение переменного напряжения микроконтроллером. Выходное напряжение через делитель R13, R14, R15, R16 поступает на вход микроконтроллера через конденсатор С10 .
Питание реле и микросхемы осуществляется через диод D3 и микросхему U1 … Кнопка SB1 вместе с резистором R1 служат для калибровки стабилизатора. Транзисторы Q1-Q4 — усилители для реле.
Реле Р1 и Р2 являются основными, а реле Р1а и Р2а вместе с диодами Д1 и Д5 замыкают цепь при переключении основных реле.Для уменьшения времени отключения реле в релейных усилителях применены транзисторы BF422 и катушки реле зашунтированы диодами 1N4007 и стабилитронами 150 Вольт, включенными в обратную сторону.
Для уменьшения импульсных помех, поступающих из сети, на входе и выходе стабилизатора расположены конденсаторы С1 и С11.
Трехцветный светодиод индицирует уровни напряжения на входе стабилизатора: красный — низкий, зеленый — нормальный, синий — высокий.
Программа
Программа написана на языке Си (микроС PRO для ПОС), разбита на блоки и снабжена комментариями.В программе используется прямое измерение переменного напряжения микроконтроллером, что позволило упростить схему. Микропроцессор применен PIC16F676 .Программный блок ноль ждет падающего перехода через ноль
По этой разнице либо происходит измерение значения переменного напряжения, либо начинается переключение реле.
Блок программ izm_U измеряет амплитуды отрицательных и положительных полупериодов
В основной программе производится обработка результатов измерений и при необходимости выдается команда на переключение реле.
Для каждой группы реле прописаны индивидуальные программы включения и выключения с учетом необходимых задержек R2вкл , R2выкл , R1вкл и R1выкл .
5-й бит порта C используется в программе для отправки импульса синхронизации на осциллограф, чтобы можно было посмотреть результаты эксперимента.
Технические характеристики
При изменении входного напряжения в пределах 195-245 Вольт выходное напряжение поддерживается с точностью до 7%.При изменении входного напряжения в пределах 185-255 Вольт выходное напряжение поддерживается с точностью до 10%Длительный выходной ток 9 А.
Детали и конструкция
В сборке использован трансформатор ТПП 320-220-50 200 Вт. Его обмотки подключены на 240 вольт, что позволило снизить ток холостого хода. Реле главные TIANBO HJQ-15F-1 и вспомогательные LIMING JZC-22F .Все детали смонтированы на печатной плате, прикрепленной к трансформатору.Диоды D1 и D5 должны выдерживать ток 30-50А в течение времени переключения (5-10мс).
Устройство подвешивается на стену и закрывается кожухом из листового металла
Индивидуальная настройка
Наладка устройства заключается в проверке непрерывности включения и установке номинального напряжения 220 Вольт с помощью строительного резистора R15 и Кнопка SB1.Необходимо подать входное напряжение от ЛАТР» и через лампу накаливания мощностью 100 — 150 Вт установить напряжение 220 Вольт и удерживать кнопку до достижения зеленого свечения, вращая строительный резистор.
После этого отпустить кнопку, подключить вольтметр к выходу прибора и вращением ЛАТР проверить пороги переключения: нижний 207 вольт и верхний 232 вольт. При этом лампа накаливания при переключении не должна мигать или светиться, что свидетельствует о правильной работе. Также работу непрерывного переключения можно увидеть на осциллографе, для этого нужно подключить внешний триггер к порту RC5 и наблюдать за выходным напряжением стабилизатора, изменяя входное напряжение.В моменты переключения синусоида на выходе не должна быть нарушена.
При выходном напряжении менее 187В горит красный диод, а зеленый мигает.
При выходном напряжении более 242В горит синий диод, а зеленый мигает.
Стабилизатор у меня работает уже 3й месяц и очень хорошо себя показал. До этого у меня работал стабилизатор предыдущей конструкции. Работало хорошо, но иногда источник срабатывал в момент его переключения.источник бесперебойного питания компьютера. С новым стабилизатором эта проблема исчезла навсегда.
Учитывая, что в реле резко уменьшилась эрозия контактов (дугообразование практически отсутствует), можно было бы использовать менее мощные реле (LIMING JZC — 22F) в качестве основных.
Замеченные недостатки
Достаточно сложно было выбрать время задержки реле в программе.Для такого включения желательно использовать быстродействующие реле.
выводы
а) Непрерывная коммутация цепей переменного тока с помощью реле вполне реальная и решаемая задача.б) В качестве вспомогательного реле можно использовать тиристор или симистор, тогда не будет падения напряжения на реле, и симистор не успеет нагреться за 10 мс.
в) В этом режиме резко снижается искрение контактов, а долговечность увеличивается, а помехи от переключения реле уменьшаются.
Использованные источники
1.на сайте «Энергосбережение в Украине»2.Официальный сайт ООО «Прибор», г. Челябинск
3. Даташиты на детали
Файлы
Схема, чертеж печатной платы и программа с прошивкой▼ 🕗 08.12.12 ⚖️ 211.09 Кб ⇣ 165 Привет читатель! Меня зовут Игорь, мне 45, я сибиряк и заядлый электронщик-любитель. Я придумал, создал и поддерживаю этот замечательный сайт с 2006 года.
Более 10 лет наш журнал существует исключительно на мои средства.
Хорошо! Халява закончилась. Хочешь файлы и полезные статьи — помоги!
Стабилизатор домашнего напряжения | Заметки электрика
Здравствуйте, уважаемые читатели сайта http://zametkielectrika.ru.
Тема сегодняшней статьи касается таких неотъемлемых на сегодняшний день устройств, как стабилизаторы напряжения для дома.Сейчас я объясню вам, почему они неотчуждаемы. Энергоснабжающая организация не уделяет должного внимания качеству поставляемой потребителям электроэнергии. Причиной этого может быть отсутствие законов и введение санкций за ненадлежащее качество. Кроме того, не стоит забывать, что энергоснабжающая организация является монополистом в поставке электрической энергии.
Электроэнергия является товаром. И если этот «товар» не надлежащего качества, это может привести к выходу из строя электрооборудования.Поэтому каждому потребителю следует позаботиться о себе, используя стабилизаторы напряжения для дома, которые предназначены для поддержания стабильного напряжения питания бытовых и промышленных нагрузок.
Что такое «качество» электроэнергии?
Для этого обратимся к следующим нормативным документам, где регламентированы параметры электрической сети от источника питания до потребителя.
В настоящих ГОСТах представлены расшифровка параметров и цифровых показателей качества электрической энергии, методы их измерения, причины и вероятность появления того или иного отклонения качества.
Кстати, 7-е издание ПУЭ вы можете скачать с моего сайта.
Теперь рассмотрим основные показатели качества электрической энергии, согласно ГОСТ 13109-97.
Основные показатели электрической энергии
1. Отклонение напряжения
Имеются следующие нормы отклонения:
- нормально допустимые (±5%)
- предельно допустимые (±10%)
Согласно ГОСТ 21128-83 номинальное действующее напряжение однофазной бытовой сети должно быть 220 (В).Из этого следует, что предел напряжения от 209 — 231 (В) является нормальным допустимым отклонением, а предел напряжения от 198 — 242 (В) — предельно допустимым отклонением.
2. Падение напряжения
Падение напряжения – это падение напряжения ниже 198 (В) в течение более 30 секунд. Падение напряжения может достигать 100%.
3. Перенапряжение
Перенапряжение – это превышение пикового значения напряжения более 339 (В).
Напомню, что пиковое значение 310 (В) соответствует действующему значению 220 (В).
Подробнее о причинах перенапряжений читайте в моей статье: виды перенапряжений и их опасность.
Что такое регулятор напряжения для дома?
Стабилизатор напряжения — автоматическое устройство, которое при изменении входного напряжения выдает на выход стабильно заданное напряжение 220 (В). Схематически это можно изобразить так:
Рассмотрим проблемы, которые могут возникнуть с подачей напряжения в дома, дачи и сады.
Внешняя электропроводка для большинства дачных участков построена и рассчитана в прошлом веке, когда нормы потребления на каждый дом принимались около 2 (кВт). В настоящее время только один электрочайник потребляет около 1 (кВт), стиральная машина около 2 (кВт), не говоря уже об электроплитах, мощность которых достигает 10 (кВт) и более.
В связи с длительным сроком эксплуатации состояние подводящих линий с каждым годом ухудшается. Сервисные электрики выезжают на линию только по экстренным заявкам и вызовам.Периодические проверки и обслуживание линий сведены к минимуму.
От воздействия атмосферных осадков провода окисляются, что уменьшает их сечение, портится в местах соединения проводов электрический контакт, что приводит к дополнительным потерям. Количество потребителей на одной линии также увеличивается. Хотя в последнее время в технических условиях на подключение дома энергоснабжающая организация обязывает установку ограничителей мощности.
Что в итоге?
Когда линия не загружена, значение напряжения питания находится в пределах нормы. Как только нагрузка на линии начинает постепенно увеличиваться (люди приходят домой с работы), напряжение питания начинает снижаться. На личном примере скажу, что в одной из деревень напряжение вечером достигало 150 (В). При таком напряжении холодильники выходят из строя, лампочки светят тускло, электрические духовки не нагреваются до номинальной температуры и т.д.
Как выходит из этой ситуации энергоснабжающая организация?
Очень просто.
Устанавливают изначально повышенный уровень напряжения на питающем трансформаторе с помощью устройства РПН или привода РПН, чтобы в часы максимальной нагрузки напряжение было в норме, ну или почти обычный. Но ведь изначально установленный повышенный уровень напряжения на питающем трансформаторе приводит к быстрому перегоранию лампочек, а также к выходу из строя бытовых приборов и оборудования.
Так что же происходит? Обоюдоострый меч?
Кто увидел свою проблему в этом тексте, рекомендую заняться собой самостоятельно, вооружившись стабилизатором напряжения для дома.Ниже я познакомлю вас с видами стабилизаторов.
Типы стабилизаторов напряжения для дома
Рассмотрим классификацию стабилизаторов напряжения для дома.
1. Феррорезонансные или магнитно-резонансные стабилизаторы напряжения
Это самые древние стабилизаторы напряжения для дома, которые использовались для питания первых цветных телевизоров. Помните эту «шкатулку»?
Стабилизатор напряжения для дома «Украина-2» мощностью всего 315 (Вт).
А это еще один феррорезонансный регулятор напряжения.
Принцип их действия основан на явлении магнитного насыщения ферромагнитных сердечников трансформаторов или дросселей.
Недостатков у этих стабилизаторов напряжения, пожалуй, гораздо больше, чем достоинств. Во-первых, они выпускались малой мощности (до 600 Вт). Во-вторых, они сильно искажают синусоидальную форму выходного напряжения. В-третьих, они очень сильно гудят, а еще у них узкий диапазон стабилизации и они часто выходят из строя при повышенном напряжении в сети.
2. Дискретные (ступенчатые) стабилизаторы напряжения
Следующий тип стабилизатора напряжения для дома, который мы рассмотрим, называется дискретным или ступенчатым.
Принцип их работы основан на ступенчатой коррекции напряжения, осуществляемой переключением отводов обмотки автотрансформатора с помощью ключей.
Ключи либо релейные, либо полупроводниковые (триаки).
На рисунке ниже представлена упрощенная схема дискретного стабилизатора для дома с прямым подключением 5 ключей.Обычно это относится к самым дешевым моделям. Каждый ключ (реле или симистор) устанавливается на определенный порог по уровню входного сетевого напряжения. При достижении этого значения ключ замыкает часть обмотки автотрансформатора.
О преимуществах данных типов стабилизаторов напряжения для дома могу сказать, что они имеют высокую скорость реакции на изменение входного напряжения, что необходимо для двигательных нагрузок таких как холодильник, стиралка, погружной насос и т.д.
Время отклика на изменение входного напряжения зависит от количества обмоток и быстродействия ключей.
Также имеют небольшой вес и габариты, отсутствие движущихся частей, в отличие от электромеханических стабилизаторов, и широкий диапазон входных напряжений.
Из недостатков можно отметить ступенчатое изменение выходного напряжения и в процессе регулирования выходное напряжение прерывается.
Теперь рассмотрим электромеханические стабилизаторы напряжения для дома.Принцип их действия основан на регулировании напряжения путем перемещения щетки по обмотке автотрансформатора.
Неразрывность фаз выходного напряжения обеспечивается конструкцией токосъемника, т.е. щеточным. Ширина щетки примерно в 2,2 раза больше диаметра провода обмотки автотрансформатора, чтобы при переходе от одного витка к другому не терялся электрический контакт.
Преимущества электромеханического стабилизатора напряжения:
- плавная регулировка
- отсутствие помех при работе
- отсутствие искажения формы напряжения
- отсутствие электронных ключей переключение рабочего тока
- высокая точность удержания выходного напряжения (в отличие от дискретных — 220±7%)
Недостатки электромеханического стабилизатора напряжения:
- необходимо следить за износом щетки
- искрение при движении щетки по обмотке автотрансформатора
- слышен гул при работе серводвигателя
выводы
Я вам объяснил про необходимость установки стабилизаторов напряжения для дома.Тогда вам решать. Я познакомил вас с видами стабилизаторов. Рекомендую приобретать только дискретные или электромеханические стабилизаторы (сам лично склоняюсь к последним), про феррорезонанс вообще забыть.
П.С. В следующей статье узнаем, как выбрать стабилизатор напряжения по мощности. Покажу пример расчета мощности стабилизатора для вашей квартиры. А также поговорим о месте их установки и крепления. Чтобы не пропустить выход новых статей — пройдите процедуру подписки.Форма находится в конце каждой статьи и в правой колонке сайта.
zametkielectrika.ru
Стабилизатор напряжения 220В своими руками — Меандр — занимательная электроника
Цифровой вольтметр сетевого напряжения на микроконтроллере ATTINY26, содержит 10-разрядный АЦП, трехразрядный светодиодный индикатор с динамической индикацией, линейный стабилизатор 7805, и еще несколько токовых -ограничительные резисторы. Разумеется, большая часть сыпучего материала используется для работы бестрансформаторного блока питания.Ниже приведена схема вольтметра. Детали: все диоды в схеме типа 1N4007, но любые другие на постоянный ток 0,5А…
В статье приведено описание устройства позволяющего наглядно отображать с помощью двух светодиодных полосок присутствующих значения напряжения сети ~ 220 В и потребляемого тока в контролируемой линии, а также осуществлять звуковую сигнализацию при выходе уровней напряжения и тока за установленные пределы. Идея контролировать состояние домашней электросети возникает, я думаю, у многих, особенно после очередной оплаты за …
R1, R2, R3 — делители напряжения в диапазонах 0-1,2В, 0-12В и 0-120В. Индикатор вольтметра собран на микросхеме LM3914. Ток, протекающий через каждый светодиод, может составлять до 30 мА. R4 — регулирует яркость светодиодов. Каждый светодиод имеет шаг 1,2В (в диапазоне 12В). Изменяя значения делителей напряжения R1 R2 R3, вы можете самостоятельно выбрать нужный вам диапазон измерения напряжения.
Технические характеристики: Напряжение питания — 10-17 В Шаг индикации напряжения — 0.5 В Диапазон измерения напряжения — 10,5-16 В Количество точек индикации — 12 Максимальный ток потребления — 40 мА Прибор представляет собой универсальный линейный индикатор напряжения на основе КР1003ПП1. Сигнал отображается шкалой из 12 светодиодов, которые последовательно загораются в зависимости от входного напряжения. Используя …
meandr.org
Подключение стабилизатора напряжения пошаговая инструкция
В зависимости от того, какой стабилизатор напряжения вы выберете, стоит рассмотреть несколько вариантов подключения.(меню кликабельно)
Кроме того, важно определить местонахождение стабилизатора.
Часто бывает, что в квартире (доме, офисе) есть необходимость подключить только одно или два устройства под стабилизатор, а остальным это не нужно.
Это происходит, когда входящее напряжение в сети незначительно отличается от номинальных 220 вольт и его перепады незначительны (+/- 15 вольт).
В таких случаях действительно нет необходимости полностью подключать весь дом и достаточно защищать плазменный телевизор, спутниковый тюнер или компьютер.
Для подключения по этой схеме необходимо все же обеспечить дополнительное подключение высокоточного оборудования (аудио, видеосистемы, ПК) через сетевой фильтр. Это необходимо для того, чтобы эти источники не мешали друг другу , а также для фильтрации скачков напряжения от сварки во дворе, например.
Стоит отметить, что в случае подключения газового котла в схему также необходимо включить ИБП – источник бесперебойного питания, который обеспечит корректную работу оборудования даже в случае отключения электроэнергии.
Непосредственно к самому выпрямителю можно подключить мощные пантографы, такие как насос, холодильник, микроволновая печь, электродуховка, пылесос, пароварка, утюг. Эти потребители не требуют особой точности в стабилизации и мало зависят от перепадов напряжения.
Схема подключения всей квартиры через стабилизатор напряжения
Такой способ подключения стабилизатора напряжения наиболее подходит для современных квартир и домов.
Выпрямитель в данном случае является самым первым прибором после электросчетчика и обеспечивает стабильным и ровным напряжением все токоприемники квартиры, дачи или дома.
При таком подключении наиболее правильным считается проведение отдельных линий под разные типы электроприборов. Каждая из линий должна быть оборудована своими мешками (освещение, насос, ТВ+аудиосистема, компьютер и т.д.)
Но очень редко на этапе строительства учитывается, какие электроустановки будут подключены к той или иной розетки, поэтому возникают ситуации, когда удобно подключить маломощную, но точную технику с помощью удлинителя (телевизор, спутниковая антенна) в одну розетку с «грубой» (холодильник, стиральная машина, насос, утюг) .
В этом случае «грубая» техника при включении будет создавать помехи, которые не в состоянии отфильтровать стабилизатор, расположенный на входе в дом. Поэтому старайтесь избегать такого соседства и подключать такие электроприборы как можно дальше друг от друга.
Если это невозможно, то перед «точной» техникой должен стоять сетевой фильтр.
Три фазы
Часто в помещение входит не одна, а три фазы. В этом случае нужно подключить один трехфазный стабилизатор напряжения или три однофазных.
Первый из них используется только в том случае, если используются электроприборы, рассчитанные на 380 вольт, например, мощные электродвигатели, но в быту такие устройства обычно не используются.
Подключение стабилизаторов к трем фазам
Если в дом входят три фазы (380 вольт), то лучше использовать схему из трех стабилизаторов, которая обеспечит качественной, даже 220 В электроэнергией все электричество в доме .
Более того, даже в промышленных масштабах рекомендуется использовать схему из трех однофазных, т. к. при выходе из строя или просто отключении одной из них в сети остается 220 вольт, что невозможно при использовании трехфазного -фаза первая — просто полностью отключает электричество.
Поэтому, если в сети преобладают потребители 220 вольт, а не 380 вольт, следует использовать схему из трех стабилизаторов.
Схема подключения показана на рисунке.
Трехфазный ввод имеет четыре провода — один из которых нулевой, общий для всех трех стабилизаторов в системе, а каждая отдельная фаза пропускается через отдельный выпрямитель.
Перепады напряжения негативно сказываются на любом бытовом приборе. Особенно это касается высокоточной электроники, регулирующей работу отопительных приборов.
Для выравнивания тока в домашних условиях используется стабилизатор напряжения. В простейшем виде он работает по принципу реостата, увеличивая и уменьшая сопротивление в зависимости от силы тока. Но есть и более современные устройства, полностью защищающие технику от скачков напряжения. Как их сделать мы и поговорим.
Стабилизатор напряжения и принцип его действия
Для более детального понимания работы устройства рассмотрим составляющие электрического тока:
- сила тока,
- напряжение, частота
- .
Сила тока — это количество заряда, прошедшего через проводник за определенный период времени. Напряжение очень просто эквивалентно работе, которую совершает электрическое поле. Частота – это скорость, с которой поток электронов меняет направление. Это значение характерно исключительно для переменного тока, который циркулирует в электросети. Большинство бытовых приборов рассчитаны на напряжение 220 Вольт, при этом сила тока должна быть 5 Ампер, а частота 50 Герц.
В большинстве случаев Бытовая техника имеет действующую вилку по каждому из параметров, но любая защита устроена так, что условия работы приборов будут оставаться неизменными длительное время. В нашей сети практически постоянно происходят колебания тока. Амплитуда до 2 А по силе тока и до 40-50 В по напряжению. Частота тока также отличается от 50 Гц и колеблется в пределах от 40 Гц до 60 Гц.
Эта проблема связана со многими факторами, но главный из них – удаленность конечного потребителя от источника электроэнергии.В результате достаточно длительной транспортировки и многократного преобразования течение теряет устойчивость. Этот дефект электрических сетей присутствует не только в нашей стране, но и в любых других странах, использующих электроэнергию. Поэтому было изобретено специальное устройство для стабилизации выходного тока.
Типы стабилизаторов напряжения
Поскольку ток представляет собой направленное движение частиц, для его регулирования используются:
- механический метод,
- импульсный метод.
Механические характеристики основаны на законе Ома. Такой стабилизатор называется линейным. Он состоит из двух отводов, соединенных реостатом. Напряжение подается на одно колено, проходит через реостат и попадает на второе колено, от которого распространяется дальше. Преимущества этого метода заключаются в том, что он позволяет достаточно точно установить параметры выходного тока. В зависимости от назначения линейный стабилизатор модернизируют дополнительными запчастями. Следует отметить, что устройство эффективно справляется со своей задачей только в том случае, если разница между входным и выходным токами невелика.В противном случае стабилизатор будет иметь низкий КПД. Но даже этого достаточно для защиты бытовой техники и защиты себя от короткого замыкания при перегрузке сети.
Импульсный регулятор напряжения основан на принципе амплитудной модуляции тока. Схема регулятора напряжения сконструирована таким образом, что в цепи есть переключатель, автоматически разрывающий цепь через равные промежутки времени. Это позволяет току подаваться частями и равномерно накапливаться в конденсаторе.После его заряда на приборы подается уже выровненный ток. Недостаток этого метода в том, что он не позволяет установить конкретное значение. Однако довольно часто встречаются импульсные повышающе-понижающие регуляторы, оптимальные для бытового применения. Они выравнивают ток в пределах чуть ниже или чуть выше нормы. В обоих случаях все параметры тока находятся в пределах допустимой вилки.
Также важно отметить деление устройств на:
- Стабилизатор напряжения однофазный
- ,
- стабилизатор напряжения трехфазный.
После перераспределения в трансформаторе выходит трехфазная линия, она обычно идет на распределительный щит в отдельный дом. Дальше от щитка до квартиры уже штатные фазы и ноль. Таким образом, большинство бытовых приборов рассчитаны именно на однофазную сеть. Поэтому в типовых квартирах целесообразно использовать однофазный стабилизатор. Кроме того, он стоит в 10 раз дешевле трехфазного, даже если собрать его самостоятельно.
Стабилизаторы напряжения для дачи могут быть и трехфазными. Особенно это касается мощных насосов, культиваторов и тяжелой строительной техники. В этом случае необходимо изготовить стабилизатор, предназначенный для преобразования тока под конкретный прибор. На практике сделать это достаточно сложно. Поэтому его проще арендовать. Использование вышеперечисленных устройств носит временный характер, поэтому нет смысла тратить время и деньги на трехфазный стабилизатор напряжения.
Основные элементы стабилизатора напряжения
Для того, чтобы собрать простой уравнитель тока, не требуются ни специальные навыки, ни специфические детали.Стабилизаторы напряжения бытовые состоят из:
- трансформатор, конденсаторы
- ,
- резисторы,
- диоды,
- провода для подключения микросхемы.
Идеально, если у вас есть старый сварочный аппарат. Его очень легко преобразовать в стабилизатор напряжения; к тому же не нужно покупать дополнительные детали и проектировать корпус под микросхемы. Видео в конце статьи посвящено этому вопросу. Но, лишняя сварка бывает очень редко, поэтому рассмотрим процедуру создания стабилизатора напряжения с нуля.Поскольку импульсный стабилизатор не позволяет тонкой настройки параметров, будем рассматривать линейный стабилизатор напряжения.
Изготовление самодельного стабилизатора напряжения
Его основа — трансформер. На практике трансформеры намного меньше, чем массивные уравнительные кабины. высокое напряжение, поступающее от электростанции. Они представляют собой две катушки, образующие индуктивную электромагнитную связь. Проще говоря, ток подается на одну катушку, заряжает ее, затем возникает электромагнитное поле, которое заряжает вторую катушку, от которой ток течет дальше.Это отношение выражается формулой:
| У 2 | = | № 2 | = | I 1 |
| У 1 | № 1 | I 2 |
- У 1 — напряжение на первичной обмотке,
- U 2 — напряжение на вторичной обмотке,
- N 1 — число витков на первичной обмотке,
- Н 2 — число витков вторичной обмотки,
- I 1 — ток по первичной обмотке,
- I 2 — ток по вторичной обмотке.
Формула не идеальна, так как позволяет либо понизить напряжение, либо повысить его. В 90% случаев ток до потребителя доходит с низким напряжением. Поэтому есть смысл сразу сделать повышающий трансформатор. Индуктивные катушки для него продаются в магазинах электротоваров или на любой барахолке. Важно отметить, что количество витков должно быть не менее 2000 тысяч, иначе трансформатор сильно нагреется и вскоре сгорит. Для того чтобы подобрать мощность трансформатора, необходимо измерить напряжение в сети.Для расчетов возьмем значение 196 В. Формула примет следующий вид:
Как видно из формулы, напряжение на выходе будет 220х4/196=4,4 А. Большинство электроприборов допускают вилку на 1 А. Следовательно, полученного значения достаточно для нормальной работы оборудования.
Готов стабилизатор напряжения, энергия в котором увеличивается на заданную величину. Но, если в сети произойдет скачок напряжения, то формула примет следующие значения:
Это приведет к повреждению большинства электроприборов.
Для устранения этого дефекта воспользуемся законом Ома:
- У — напряжение,
- I — сила тока,
- Р — сопротивление.
264 = 4,47xR, R = 264/4,47 = 60. Из этой формулы следует, что в идеале сопротивление всех элементов системы будет равно 60 Ом. Если уменьшить сопротивление, то напряжение уменьшится:
220 = 4,47xR, R = 220 / 4,47 = 50.
Для изменения сопротивления сети используется устройство, называемое реостатом.Естественно, вручную настраивать его довольно неудобно. Поэтому вам понадобится микросхема стабилизатора напряжения, на которой будет отмечен путь прохождения электрического тока после выхода из трансформатора.
Самый простой способ — передать ток от трансформатора к конденсатору. Целесообразно использовать 12-16 конденсаторов одинаковой емкости. Это аккумулирует ток и сделает его более равномерным. Далее все конденсаторы подключаются к реостату. Ток в сети после трансформатора будет в пределах 4.5-5 А, а желаемое напряжение должно быть 220 В. Следовательно, имеем формулу R=220/4,75=46. При средних значениях сопротивление должно быть 46 Ом.
Для достижения более плавного выравнивания целесообразно установить несколько параллельных реостатов. Таким образом, соединяясь в один поток после конденсаторов, цепь должна быть разделена на 4,6,8 отдельных ветвей, соединенных с реостатами. В этом случае следует использовать формулу R/количество реостатов. Если составить цепочку из 6 реостатов, то по представленным данным каждый из них должен иметь сопротивление 8 Ом.
После прохождения реостатов схема снова собирается в один поток и выводится на диод. Диод подключается к обычной розетке.
Все эти манипуляции относятся к проводу на котором находится фаза, просто ноль пропускаем прямо в розетку.
Указанный метод с реостатами довольно архаичен. Вместо этого гораздо эффективнее использовать обычное устройство защитного отключения. Ток от трансформатора подается на УЗО, ноль также подключается к УЗО.Далее от него идет непосредственно к розетке.
В случае увеличения напряжения или силы тока в результате скачка напряжения, УЗО разомкнет цепь, и бытовая техника не будет повреждена. В остальное время трансформатор будет качественно выравнивать ток.
При повышенном напряжении необходим понижающий трансформатор. Собирается по аналогии, за исключением того, что обмотку на второй катушке нужно делать из более толстого провода, иначе трансформатор сгорит.
Рациональнее всего собрать оба трансформатора. Кроме того, существуют конструкции с повышающим коэффициентом полезного действия. В первом случае вам нужно будет вручную переключать провод, во втором процесс поддается автоматизации. Как видите, сделать стабилизатор напряжения несложно, а вот работа с электричеством требует предельной осторожности.
Советы по работе с самодельным стабилизатором напряжения
Важно : описанная схема идеальна для постоянных условий, но в сети довольно часто случаются перебои и скачки напряжения, как вверх, так и вниз.
Поэтому при сборке стабилизатора напряжения рекомендуем отталкиваться от параметров конкретной техники, т.е.:
- продумать планировку квартиры,
- если не предполагается ремонт, установить удлинители для отдельных групп электроприборов с аналогичными параметрами,
- подключить каждую группу к отдельному стабилизатору.
Любая бытовая техника либо на тыльной стороне, либо в паспорте содержит указания по мощности.На основе конкретных цифр создать эффективный стабилизатор гораздо проще, так как нет необходимости подстраиваться под сеть. Еще один полезный гаджет — электронный вольтметр. Желательно подключить его к схеме стабилизатора для визуального контроля за его работой.
Для корпуса подходит любой материал, кроме дерева. Нередко самодельные стабилизаторы помещают в пластиковые пищевые контейнеры.
Изготовление самодельных стабилизаторов напряжения – достаточно распространенная практика.Однако в большинстве своем создаются стабилизирующие электронные схемы, рассчитанные на относительно низкие выходные напряжения (5-36 вольт) и сравнительно небольшие мощности. Устройства используются как часть бытового оборудования, не более того.
Мы расскажем, как сделать мощный стабилизатор напряжения своими руками. В предложенной нами статье описан процесс изготовления устройства для работы с сетевым напряжением 220 вольт. Принимая во внимание наши советы, вы легко справитесь со сборкой самостоятельно.
Стремление обеспечить стабилизированное напряжение в бытовой сети — явление очевидное. Такой подход обеспечивает сохранность эксплуатируемой техники, которая зачастую стоит дорого и постоянно нужна в хозяйстве. И в целом коэффициент стабилизации является гарантией повышенной безопасности при эксплуатации электрических сетей.
Для бытовых целей чаще всего приобретаются, автоматика которых требует подключения к электросети, насосного оборудования, сплит-систем и им подобных потребителей.
Промышленный образец регулятора сетевого напряжения, который нетрудно достать на рынке. Ассортимент такого оборудования огромен, но всегда есть возможность сделать свою конструкцию
Решить подобную задачу можно разными способами, самый простой из которых – купить мощный промышленный стабилизатор напряжения.
На коммерческом рынке много предложений. Однако возможности покупки часто ограничены стоимостью устройств или другими факторами.Соответственно, альтернативой покупке является сборка стабилизатора напряжения своими руками из доступных электронных компонентов.
При наличии соответствующих навыков и знаний в области электромонтажа, теории электротехники (электроники), схем электромонтажа и элементов пайки самодельный регулятор напряжения может быть реализован и успешно применен на практике. Есть такие примеры.
Примерно так может выглядеть аппаратура стабилизации, сделанная своими руками из доступных и недорогих радиодеталей.Шасси и корпус можно подобрать от старого промышленного оборудования (например, от осциллографа)
Схемные решения по стабилизации сети 220В
Рассмотрение возможных схемных решений по стабилизации напряжения с учетом относительно большой мощности (при не менее 1-2 кВт), следует учитывать разнообразие технологий.
Существует несколько схемных решений, определяющих технологические возможности приборов:
- феррорезонансные;
- с сервоприводом;
- электронный;
- инвертор.
Какой вариант выбрать, зависит от ваших предпочтений, доступных материалов для сборки и навыков работы с электрооборудованием.
Вариант №1 — феррорезонансный контур
Для самостоятельного изготовления самый простой вариант схемы — это первый пункт списка — феррорезонансный контур. Он работает с использованием эффекта магнитного резонанса.
Структурная схема простого стабилизатора, выполненного на базе дросселей: 1 — первый дроссельный элемент; 2 — второй дроссельный элемент; 3 — конденсатор; 4 — сторона ввода напряжения; 5 — сторона выходного напряжения
Конструкция достаточно мощного феррорезонансного стабилизатора может быть собрана всего на трех элементах:
- Дроссель 1.
- Дроссель 2.
- Конденсатор.
Однако простота в этом варианте сопровождается массой неудобств. Конструкция мощного стабилизатора, собранного по феррорезонансной схеме, получается массивной, громоздкой и тяжелой.
Вариант №2 — Автотрансформатор или сервопривод
Собственно речь идет о схеме по принципу автотрансформатора. Трансформация напряжения осуществляется автоматически за счет управления реостатом, ползунок которого перемещает сервопривод.
В свою очередь сервопривод управляется сигналом, полученным, например, от датчика уровня напряжения.
Принципиальная схема сервоприводного устройства, сборка которого позволит создать мощный стабилизатор напряжения для дома или дачи. Однако этот вариант считается технологически устаревшим.
Устройство релейного типа работает примерно так же, с той лишь разницей, что коэффициент трансформации меняется при необходимости путем включения или отключения соответствующих обмоток с помощью реле.
Схемы такого рода уже технически выглядят более сложными, но при этом не обеспечивают достаточной линейности изменения напряжения. Допускается сборка релейного устройства вручную или на сервоприводе. Однако разумнее выбрать электронный вариант. Затраты рабочей силы и ресурсов практически одинаковы.
Вариант №3 — электронная схема
Сборка мощного стабилизатора по электронной схеме управления с обширным ассортиментом радиодеталей в продаже становится вполне возможной.Как правило, такие схемы собираются на электронных компонентах-симисторах (тиристорах, транзисторах).
Разработан также ряд схем стабилизаторов напряжения, где в качестве переключателей используются силовые полевые транзисторы.
Структурная схема модуля электронной стабилизации: 1 — входные клеммы устройства; 2 — симисторный блок управления обмотками трансформатора; 3 — микропроцессорный блок; 4 — выходные клеммы для подключения нагрузки
Мощный аппарат полностью под электронным управлением руками неспециалиста изготовить достаточно сложно, лучше.В этом вопросе не обойтись без опыта и знаний в области электротехники.
Этот вариант целесообразно рассмотреть для самостоятельного изготовления, если есть большое желание построить стабилизатор, плюс накопленный опыт электронщика. Далее в статье рассмотрим электронную конструкцию, пригодную для изготовления своими руками.
Подробная инструкция по сборке
Рассмотренная для самостоятельного изготовления схема является скорее гибридным вариантом, так как предполагает использование силового трансформатора совместно с электроникой.Трансформатор в данном случае используется из числа тех, что устанавливались в телевизорах старых моделей.
Это приблизительно силовой трансформатор, который потребуется для изготовления самодельной конструкции стабилизатора. Однако не исключен подбор и других вариантов, либо намотка своими руками
Правда, в ТВ-приемниках, как правило, устанавливались трансформаторы ТС-180, тогда как стабилизатор требует не менее ТС-320 для обеспечения выходного нагрузка до 2кВт.
Шаг №1 — изготовление корпуса стабилизатора
Для изготовления корпуса устройства подойдет любая подходящая коробка на основе изоляционного материала — пластика, текстолита и т.п. Главный критерий – достаточно места для размещения силового трансформатора, электронной платы и других компонентов.
Корпус также допускается изготавливать из листового стеклотекстолита, скрепляя отдельные листы с помощью уголков или другим способом.
Допустимо подобрать корпус от любой электроники, подходящий для размещения всех рабочих элементов схемы самодельного стабилизатора.Также корпус можно собрать своими руками, например, из листов стеклопластика
Коробка стабилизатора должна быть оборудована прорезями для установки переключателя, входных и выходных интерфейсов, а также других предусмотренных схемой аксессуаров в качестве управления или переключения элементы.
Для изготовленного корпуса необходима опорная плита, на которой будет «лежать» электронная плата и закрепляться трансформатор. Пластина может быть изготовлена из алюминия, но для крепления электронной платы должны быть предусмотрены изоляторы.
Шаг №2 — изготовление печатной платы
Здесь вам нужно будет изначально разработать схему размещения и подключения всех электронных частей в соответствии со принципиальной схемой, кроме трансформатора. Затем на макете размечают лист фольгированного текстолита и наносят (впечатывают) созданную трассировку на сторону фольги.
Сделать печатную плату стабилизатора полностью доступными способами можно прямо в домашних условиях. Для этого необходимо подготовить трафарет и набор травителей на фольге PCB
Полученная таким образом печатная копия проводки зачищается, лужится и устанавливаются все радиодетали схемы с последующей пайкой.Так изготавливается электронная плата мощного стабилизатора напряжения.
В принципе, можно воспользоваться сторонней услугой травления печатных плат. Стоимость данной услуги вполне доступная, а качество запайки значительно выше, чем в домашнем варианте.
Шаг №3 — сборка регулятора напряжения
Плата в сборе с радиодеталями подготовлена к внешней обвязке. В частности, от платы проведены линии внешней связи(проводники) с другими элементами — трансформатором, переключателем, интерфейсами и т.п.
На опорной плите корпуса установлен трансформатор, соединенный с трансформатором схемы электронной платы, а плата закреплена на изоляторах.
Пример самодельного регулятора напряжения релейного типа, изготовленного в домашних условиях, помещенного в корпус от негодного промышленного измерительного прибора
Осталось только подключить к схеме внешние элементы, смонтированные на корпусе, установить ключевой транзистор на радиатор, после чего собранная электронная конструкция закрывается корпусом.Стабилизатор напряжения готов. Вы можете начать настройку с дальнейшими тестами.
Принцип работы и самодельный тест
Регулирующий элемент электронной схемы стабилизации — мощный полевой транзистор типа IRF840. Напряжение для обработки (220-250В) проходит через первичную обмотку силового трансформатора, выпрямляется диодным мостом VD1 и поступает на сток транзистора IRF840. Исток этого же компонента подключен к отрицательному потенциалу диодного моста.
Принципиальная схема блока стабилизации большой мощности (до 2 кВт), на базе которого собраны и успешно эксплуатируются несколько устройств. Схема показала оптимальный уровень стабилизации при указанной нагрузке, но не выше
Часть схемы, включающая одну из двух вторичных обмоток трансформатора, образованную диодным выпрямителем (VD2), потенциометром (R5) и другими элементами электронного регулятора. Эта часть схемы формирует управляющий сигнал, который поступает на затвор полевого транзистора IRF840.
В случае повышения напряжения питающей сети управляющий сигнал понижает напряжение затвора полевого транзистора, что приводит к замыканию ключа. Соответственно, ограничивается потенциальное повышение напряжения на контактах подключения нагрузки (ХТ3, ХТ4). Обратно схема работает в случае снижения сетевого напряжения.
Настройка устройства не представляет особой сложности. Здесь вам понадобится обычная лампа накаливания (200-250 Вт), которую следует подключить к выходным клеммам устройства (Х3, Х4).Далее вращением потенциометра (R5) доводят напряжение на отмеченных клеммах до уровня 220-225 вольт.
Выключите стабилизатор, выключите лампу накаливания и включите устройство уже с полной нагрузкой (не более 2 кВт).
Через 15-20 минут работы прибор снова выключается и контролируется температура радиатора ключевого транзистора (IRF840). Если нагрев радиатора значительный (более 75º), следует выбрать более мощный радиатор.
Если процесс изготовления стабилизатора показался вам слишком сложным и нерациональным с практической точки зрения, вы без проблем сможете найти и приобрести устройство заводского изготовления. Правила и критерии приведены в статье, которую мы рекомендуем.
Выводы и полезное видео по теме
В видео ниже рассматривается одна из возможных конструкций самодельного стабилизатора.
В принципе можно взять на заметку такой вариант самодельного устройства стабилизации:
Сборка блока стабилизации сетевого напряжения своими руками возможна.Это подтверждается многочисленными примерами, когда радиолюбители с небольшим опытом вполне успешно разрабатывают (или используют уже имеющуюся), готовят и собирают электронную схему.
Сложностей с приобретением деталей для изготовления самодельного стабилизатора обычно не отмечается. Затраты на производство низки и естественным образом окупаются при вводе стабилизатора в эксплуатацию.
Пожалуйста, оставляйте комментарии, задавайте вопросы, размещайте фото по теме статьи в блоке ниже.Расскажите о том, как вы собрали регулятор напряжения своими руками… Поделитесь полезной информацией, которая может пригодиться начинающим электрикам, зашедшим на сайт.
Советы по безопасности при использовании стабилизатора напряжения
Правильная проводка стабилизатора напряжения
Сначала в соответствии с мощностью приобретенного стабилизатора напряжения выберите соответствующий провод для соединения входных и выходных клемм стабилизатора. (Примечание: при установке проводка должна строго соответствовать бирке проводки стабилизатора.Обратите особое внимание на то, чтобы фазный и нулевой провода не были перепутаны местами. Нельзя путать нулевой и заземляющий провода. Заземляющий и нулевой провода не могут быть опущены). Включите переключатель стабилизатора напряжения, выходной сигнал вольтметра на панели должен показывать 220 В, а индикатор питания на панели горит, указывая на то, что стабилизатор напряжения работает нормально. Если необходимо отрегулировать выходное напряжение, отрегулируйте потенциометр напряжения на печатной плате машины и отрегулируйте его по часовой стрелке, чтобы увеличить выходное напряжение.Отрегулируйте против часовой стрелки, чтобы уменьшить выходное напряжение (выключите нагрузку при регулировке).
Защитное устройство стабилизатора напряжения
Стабилизатор напряжения ниже 3 кВА использует плавкий предохранитель для защиты от перегрузки или короткого замыкания, а стабилизатор напряжения выше 5 кВА использует небольшой автоматический выключатель или небольшой воздушный выключатель для защиты от перегрузки или короткого замыкания. При работе стабилизатора напряжения, если перегорел предохранитель или сработал автоматический воздушный выключатель, его следует отключить для проверки нагрузки и стабилизатора напряжения.
Защита от перенапряжения стабилизатора напряжения
Когда выходное напряжение превышает значение защиты стабилизатора напряжения (значение защиты фазного напряжения отрегулировано на 250 В ± 5 В на заводе), стабилизатор напряжения автоматически защищает, снижает или отключает выходное напряжение напряжения стабилизатора, и загорится индикатор перенапряжения, пользователь должен немедленно отключиться, чтобы проверить напряжение сети или стабилизатор напряжения. Когда стабилизатор напряжения работает, если выходное напряжение дрожит, оно может быть емкостным или индуктивная нагрузка слишком велика.Пользователь может отрегулировать переключатель на печатной плате в корпусе, чтобы устранить дрожание (пожалуйста, отключите нагрузку при регулировке). Если дрожание не удается устранить, оно может быть вызвано слишком большим внутренним сопротивлением входной линии сетки или серьезным искажением формы входного сигнала.
Если после запуска стабилизатор напряжения находится под защитой от перенапряжения, проверьте, нормально ли настроен стабилизатор и не выходит ли напряжение сети из диапазона стабилизатора напряжения.Включите стабилизатор напряжения и включите электрооборудование после стабилизации выходного напряжения.
Причина и решение срабатывания стабилизатора напряжения 220В- SCIENTEK ELECTRICAL
11 сентября 2020 г.Причины срабатывания регулятора 220В обычно следующие:
Когда мощность больше рабочего значения регулятора. Если установлена система защиты от утечки, она сработает при возникновении утечки.Напряжение ниже диапазона адаптации напряжения стабилизатора напряжения, и стабилизатор напряжения больше не может нормально работать.
Если он не срабатывает в обычное время, но срабатывает или легко срабатывает при использовании определенного электроприбора, это означает, что в электроприборе имеется утечка или плохая изоляция. Если используется только определенная линия, то есть перескакивает определенная линия, как только подается питание, значит, есть место для утечки этой линии.
Стабилизатор напряжения 220В
Если электроприбор в начале эксплуатации не прыгает, а через какое-то время прыгает, это означает, что изоляция прибора стареет (трехфазный регулятор напряжения), ухудшилась термическая стабильность, происходит утечка .
Если он срабатывает при использовании электроприборов с относительно большой потребляемой мощностью или когда в доме используется больше электрооборудования, это означает, что сработал воздушный выключатель вашего дома (домашний воздушный выключатель из ПВХ или устройство защиты от утечек). Если номинальный ток меньше, вы должны заменить его подходящим устройством защиты от утечки с большим номинальным током.
Если никакая нагрузка не отключится, попробуйте с помощью мультиметра проверить, не является ли выходное напряжение регулятора ненормальным перед отключением.Если это нормально, может выйти из строя схема защиты или может быть поврежден определенный транзистор реле управления. Если выходное напряжение неправильное, оно может управлять схемой регулирования напряжения. Защита от неисправности автоматически отключает питание, и принципы работы различных стабилизаторов напряжения различны. Рекомендуется отправлять в ремонт после устранения причины короткого замыкания нагрузки.
Для устранения неисправности стабилизатора напряжения 220 В можно принять следующие меры:
Замените на подходящее устройство защиты от утечки с более высоким номинальным током.Заменить на большую общую тормозную мощность; заменить воздушный переключатель, заменить кабель относительно большего размера; заменить высокоточное оборудование стабилизации напряжения; при покупке стабилизатора напряжения выбирайте товар с гарантией безопасности и качества.


